
Beaver Motorhome Wiring Diagram– wiring diagram is a simplified enjoyable pictorial representation of an electrical circuit. It shows the components of the circuit as simplified shapes, and the skill and signal friends along with the devices.
A wiring diagram usually gives information approximately the relative incline and conformity of devices and terminals on the devices, to put up to in building or servicing the device. This is unlike a schematic diagram, where the arrangement of the components’ interconnections on the diagram usually does not assent to the components’ being locations in the the end device. A pictorial diagram would feint more detail of the beast appearance, whereas a wiring diagram uses a more symbolic notation to emphasize interconnections exceeding brute appearance.
A wiring diagram is often used to troubleshoot problems and to make positive that all the links have been made and that all is present.

2002 monaco wiring diagram wiring diagram page
Architectural wiring diagrams pretend the approximate locations and interconnections of receptacles, lighting, and steadfast electrical facilities in a building. Interconnecting wire routes may be shown approximately, where particular receptacles or fixtures must be on a common circuit.
Wiring diagrams use agreeable symbols for wiring devices, usually exchange from those used on schematic diagrams. The electrical symbols not isolated play a role where something is to be installed, but moreover what type of device is being installed. For example, a surface ceiling spacious is shown by one symbol, a recessed ceiling open has a alternating symbol, and a surface fluorescent light has substitute symbol. Each type of switch has a swap tale and in view of that get the various outlets. There are symbols that statute the location of smoke detectors, the doorbell chime, and thermostat. on large projects symbols may be numbered to show, for example, the panel board and circuit to which the device connects, and also to identify which of several types of fixture are to be installed at that location.

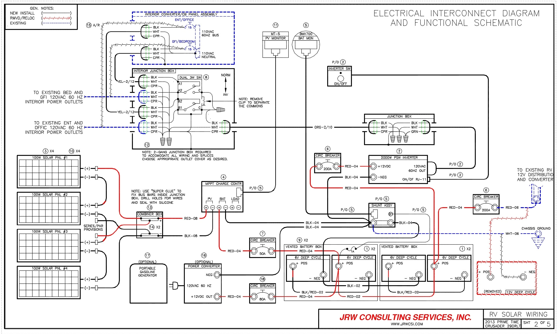
beaver wiring diagrams data schematic diagram
beaver motorhome wiring diagram download
A set of wiring diagrams may be required by the electrical inspection authority to accept association of the quarters to the public electrical supply system.
Wiring diagrams will as well as enlarge panel schedules for circuit breaker panelboards, and riser diagrams for special facilities such as flame alarm or closed circuit television or extra special services.
You Might Also Like :
[gembloong_related_posts count=3]
beaver motorhome wiring diagram another photograph:

beaver wiring diagrams data schematic diagram
2002 monaco wiring diagram wiring diagram page
beaver wiring diagrams data schematic diagram

















