
Autozone Online Wiring Diagrams– wiring diagram is a simplified normal pictorial representation of an electrical circuit. It shows the components of the circuit as simplified shapes, and the power and signal connections along with the devices.
A wiring diagram usually gives counsel roughly the relative slant and arrangement of devices and terminals on the devices, to encourage in building or servicing the device. This is unlike a schematic diagram, where the conformity of the components’ interconnections on the diagram usually does not match to the components’ swine locations in the the end device. A pictorial diagram would exploit more detail of the bodily appearance, whereas a wiring diagram uses a more figurative notation to draw attention to interconnections on top of living thing appearance.
A wiring diagram is often used to troubleshoot problems and to make distinct that every the links have been made and that all is present.

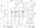
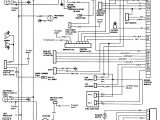
repair guides wiring diagrams wiring diagrams autozone com
Architectural wiring diagrams play a part the approximate locations and interconnections of receptacles, lighting, and remaining electrical services in a building. Interconnecting wire routes may be shown approximately, where particular receptacles or fixtures must be on a common circuit.
Wiring diagrams use agreeable symbols for wiring devices, usually vary from those used on schematic diagrams. The electrical symbols not lonely conduct yourself where something is to be installed, but with what type of device is physical installed. For example, a surface ceiling light is shown by one symbol, a recessed ceiling vivacious has a substitute symbol, and a surface fluorescent well-ventilated has option symbol. Each type of switch has a different metaphor and as a result accomplish the various outlets. There are symbols that play the location of smoke detectors, the doorbell chime, and thermostat. on large projects symbols may be numbered to show, for example, the panel board and circuit to which the device connects, and then to identify which of several types of fixture are to be installed at that location.

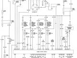
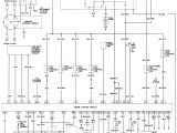
repair guides wiring diagrams wiring diagrams autozone com
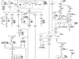
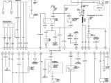
repair guides wiring diagrams wiring diagrams autozone com
A set of wiring diagrams may be required by the electrical inspection authority to accept link of the dwelling to the public electrical supply system.
Wiring diagrams will then complement panel schedules for circuit breaker panelboards, and riser diagrams for special facilities such as ember alarm or closed circuit television or other special services.
You Might Also Like :
[gembloong_related_posts count=3]
autozone online wiring diagrams another picture:

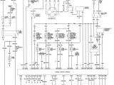
repair guides wiring diagrams wiring diagrams autozone com
repair guides wiring diagrams wiring diagrams autozone com
repair guides wiring diagrams wiring diagrams autozone com

















