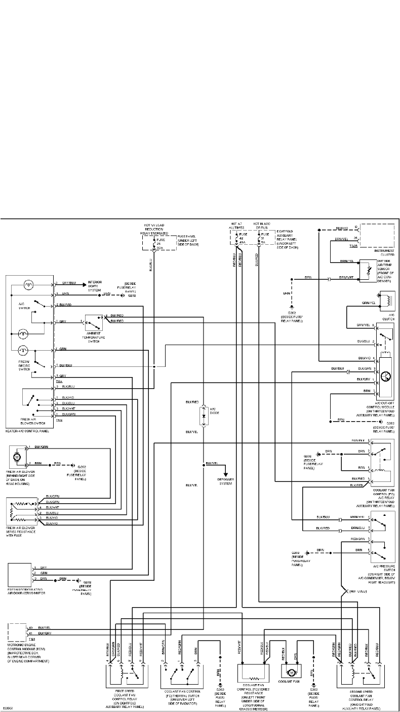
Audi A4 B5 Wiring DiagramWiring DiagramJanuary 31, 2020 17:35Warning: count(): Parameter must be an array or an object that implements Countable in /var/www/html/autocardesign.org/wp-content/themes/silegan-wordpress-theme/inc/themeson.class.php on line 625Audi A4 B5 Wiring Diagram Passat B5 Wiring DiagramCollections of Audi A4 B5 Wiring Diagram :Audi A4 B5 Wiring Diagram Passat B5 Wiring DiagramAudi A4 B5 Wiring Diagram Audi A4 Starter Motor Wiring Diagram Kuiyt Repeat21Audi A4 B5 Wiring Diagram Sv 9870 Audi A4 B5 Wiring Diagrams PdfAudi A4 B5 Wiring Diagram 5915 Audi A4 Engine Parts Diagram My Wiring DiagramAudi A4 B5 Wiring Diagram Sv 9870 Audi A4 B5 Wiring Diagrams PdfAudi A4 B5 Wiring Diagram 65fb21 Wiring Diagram Audi 80 B4 Wiring ResourcesAudi A4 B5 Wiring Diagram Sv 9870 Audi A4 B5 Wiring Diagrams PdfAudi A4 B5 Wiring Diagram Co Headlight Wiring Diagram Pro Wiring DiagramAudi A4 B5 Wiring Diagram Cb2500 Citroen C5 2005 Wiring Diagram Wiring LibraryAudi A4 B5 Wiring Diagram Sv 9870 Audi A4 B5 Wiring Diagrams PdfAudi A4 B5 Wiring Diagram Audizine forumsAudi A4 B5 Wiring Diagram Wiring Diagram Bathroom Lovely Wiring Diagram BathroomSHARE ON Twitter Facebook WhatsApp Pinterest