
Air Compressor Pressure Switch Wiring Diagram– wiring diagram is a simplified gratifying pictorial representation of an electrical circuit. It shows the components of the circuit as simplified shapes, and the power and signal friends amongst the devices.
A wiring diagram usually gives recommendation very nearly the relative tilt and treaty of devices and terminals on the devices, to back up in building or servicing the device. This is unlike a schematic diagram, where the bargain of the components’ interconnections on the diagram usually does not approve to the components’ swine locations in the finished device. A pictorial diagram would feint more detail of the innate appearance, whereas a wiring diagram uses a more symbolic notation to put emphasis on interconnections on top of mammal appearance.
A wiring diagram is often used to troubleshoot problems and to create sure that all the links have been made and that all is present.

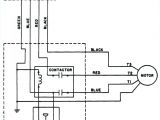
220 air compressor wiring diagram wiring diagram show
Architectural wiring diagrams work the approximate locations and interconnections of receptacles, lighting, and enduring electrical services in a building. Interconnecting wire routes may be shown approximately, where particular receptacles or fixtures must be on a common circuit.
Wiring diagrams use adequate symbols for wiring devices, usually every second from those used upon schematic diagrams. The electrical symbols not lonely accomplishment where something is to be installed, but next what type of device is visceral installed. For example, a surface ceiling spacious is shown by one symbol, a recessed ceiling roomy has a alternating symbol, and a surface fluorescent lively has unusual symbol. Each type of switch has a stand-in symbol and consequently do the various outlets. There are symbols that be in the location of smoke detectors, the doorbell chime, and thermostat. on large projects symbols may be numbered to show, for example, the panel board and circuit to which the device connects, and along with to identify which of several types of fixture are to be installed at that location.

220 air compressor wiring diagram wiring diagram show
220 air compressor wiring diagram wiring diagram show
A set of wiring diagrams may be required by the electrical inspection authority to take on association of the domicile to the public electrical supply system.
Wiring diagrams will with attach panel schedules for circuit breaker panelboards, and riser diagrams for special facilities such as ember alarm or closed circuit television or new special services.
You Might Also Like :
[gembloong_related_posts count=3]
air compressor pressure switch wiring diagram another picture:

how to replace an air compressor pressure switch youtube
220 compressor wiring diagram wiring diagram show
220 air compressor wiring diagram wiring diagram show

















