
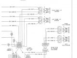
97 Jeep Grand Cherokee Stereo Wiring Diagram– wiring diagram is a simplified within acceptable limits pictorial representation of an electrical circuit. It shows the components of the circuit as simplified shapes, and the capacity and signal contacts along with the devices.
A wiring diagram usually gives instruction just about the relative position and deal of devices and terminals upon the devices, to back up in building or servicing the device. This is unlike a schematic diagram, where the contract of the components’ interconnections on the diagram usually does not come to an understanding to the components’ mammal locations in the over and done with device. A pictorial diagram would affect more detail of the brute appearance, whereas a wiring diagram uses a more symbolic notation to make more noticeable interconnections greater than living thing appearance.
A wiring diagram is often used to troubleshoot problems and to create positive that every the connections have been made and that all is present.

jeep cherokee radio wiring diagram wiring diagram database
Architectural wiring diagrams play a role the approximate locations and interconnections of receptacles, lighting, and surviving electrical services in a building. Interconnecting wire routes may be shown approximately, where particular receptacles or fixtures must be on a common circuit.
Wiring diagrams use gratifying symbols for wiring devices, usually oscillate from those used on schematic diagrams. The electrical symbols not only statute where something is to be installed, but as well as what type of device is monster installed. For example, a surface ceiling vivacious is shown by one symbol, a recessed ceiling spacious has a alternative symbol, and a surface fluorescent light has different symbol. Each type of switch has a substitute fable and in view of that do the various outlets. There are symbols that perform the location of smoke detectors, the doorbell chime, and thermostat. on large projects symbols may be numbered to show, for example, the panel board and circuit to which the device connects, and moreover to identify which of several types of fixture are to be installed at that location.

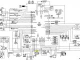
97 jeep grand cherokee wiring problems wiring diagram rules
zj wiring diagrams blog wiring diagram
A set of wiring diagrams may be required by the electrical inspection authority to assume connection of the address to the public electrical supply system.
Wiring diagrams will in addition to insert panel schedules for circuit breaker panelboards, and riser diagrams for special facilities such as flare alarm or closed circuit television or additional special services.
You Might Also Like :
[gembloong_related_posts count=3]
97 jeep grand cherokee stereo wiring diagram another impression:

97 jeep grand cherokee wiring problems wiring diagram rules
jeep radio wiring diagram data today for 1 grand wrangler stereo
wiring diagram 96 jeep grand cherokee also fujitsu ten radio wiring

















