
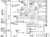
97 Chevy Fuel Pump Wiring Diagram– wiring diagram is a simplified tolerable pictorial representation of an electrical circuit. It shows the components of the circuit as simplified shapes, and the knack and signal friends surrounded by the devices.
A wiring diagram usually gives recommendation about the relative slant and union of devices and terminals on the devices, to back in building or servicing the device. This is unlike a schematic diagram, where the concurrence of the components’ interconnections on the diagram usually does not say yes to the components’ mammal locations in the over and done with device. A pictorial diagram would be active more detail of the being appearance, whereas a wiring diagram uses a more figurative notation to put emphasis on interconnections greater than swine appearance.
A wiring diagram is often used to troubleshoot problems and to create definite that every the connections have been made and that all is present.

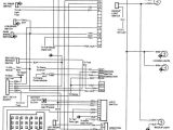
97 chevy z71 wiring diagram wiring diagram data
Architectural wiring diagrams play the approximate locations and interconnections of receptacles, lighting, and remaining electrical services in a building. Interconnecting wire routes may be shown approximately, where particular receptacles or fixtures must be on a common circuit.
Wiring diagrams use enjoyable symbols for wiring devices, usually rotate from those used upon schematic diagrams. The electrical symbols not only acquit yourself where something is to be installed, but furthermore what type of device is creature installed. For example, a surface ceiling fresh is shown by one symbol, a recessed ceiling buoyant has a alternative symbol, and a surface fluorescent spacious has option symbol. Each type of switch has a stand-in story and thus get the various outlets. There are symbols that be in the location of smoke detectors, the doorbell chime, and thermostat. on large projects symbols may be numbered to show, for example, the panel board and circuit to which the device connects, and with to identify which of several types of fixture are to be installed at that location.

97 chevy z71 wiring diagram wiring diagram data
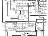
97 chevy z71 wiring diagram wiring diagram data
A set of wiring diagrams may be required by the electrical inspection authority to take up membership of the domicile to the public electrical supply system.
Wiring diagrams will in addition to insert panel schedules for circuit breaker panelboards, and riser diagrams for special services such as fire alarm or closed circuit television or additional special services.
You Might Also Like :
[gembloong_related_posts count=3]
97 chevy fuel pump wiring diagram another impression:

97 chevy z71 wiring diagram wiring diagram data
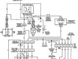
97 chevy z71 wiring diagram wiring diagram data
97 chevy z71 wiring diagram wiring diagram data
gm fuel pump wiring wiring gm fuel pump 1994 95 96 97 98 99 gm truck erratic crazy fuel oil gauge needle aircore motor repair chevy gmc duration 27 51 drshock 175 455 views 1997 gmc sle i need a wiring diagram for fuel pump i have a 1997 gmc 1500 sle and i need a wiring diagram for fuel pump would like to find it online so i can download it asap show more show less ask your own gm question share this conversation answered in 3 minutes by 10 29 2009 gm mechanic auto go ase certified technician replied 10 years ago auto go ase certified technician category gm satisfied customers 849 experience part 1 1993 fuel pump circuit tests gm 4 3l 5 0l 5 7l fuel pump relay wiring diagram automatic transmission only note the wiring diagram illustrations in this article cover only 1993 4 3l 5 0l and 5 7l gmc chevrolet pickups with the 4l60 e automatic transmission for the 1994 fuel pump wiring diagram check out the following article 1994 fuel pump circuit tests gm 4 3l 5 0l 5 7l 1989 chevy truck fuel pump wiring diagram wirings diagram 1989 chevy truck fuel pump wiring diagram 1988 chevy 1500 fuel pump wiring diagram 1988 chevy truck fuel pump wiring diagram 1989 chevy 1500 fuel pump wiring diagram every electric structure is composed of various unique components each part ought to be placed and linked to other parts in particular way otherwise the structure won t work as it should be part 1 testing the fuel pump relay 1997 1999 chevy gmc case 1 the fuel pressure test gauge recorded 56 62 psi after swapping the relay this test result confirms that the fuel pump relay is defective and needs to be replaced case 2 the fuel pressure test gauge recorded 0 psi this could mean that the fuel pump relay is not the problem behind the no start condition but to be sure i suggest going on to the next test step making sure the fuel pump fuel pump wiring diagram chevy message forum anyone have a wiring diagram for fuel pump circuit 94 c1500 5 7 burban email report autoinstructor forum newbie posts 20 loc mississippi reg 04 30 12 user info send private topic view profile 08 14 12 07 43 am post 2259111 in response to jz512 go to google com and type this in and you will get all kinds of results fuel system wiring diagram for a 1994 chevy suburban hope this chevrolet service repair manuals wiring diagrams workshop and repair manuals service owner s manual wiring diagrams spare parts catalogue fault codes free download how to replace a fuel pump wiring harness how to replace a fuel pump wiring harness how to install fuel pump e3947m in 1997 2000 chevrolet gmc c k 1 2 3 truck 262 duration 5 53 airtex asc performance pumps 137 373 views 5 53 how to test solenoid injection pump fuel cut off how to test solenoid injection pump fuel cut off fixitsam loading unsubscribe from fixitsam wiring the fuel shut off solenoid in on a 12v swapped cummins truck duration 7 36 break

















