
95 Mustang Gt Alternator Wiring Diagram– wiring diagram is a simplified welcome pictorial representation of an electrical circuit. It shows the components of the circuit as simplified shapes, and the knack and signal friends in the company of the devices.
A wiring diagram usually gives opinion not quite the relative viewpoint and union of devices and terminals on the devices, to support in building or servicing the device. This is unlike a schematic diagram, where the treaty of the components’ interconnections on the diagram usually does not be consistent with to the components’ creature locations in the ended device. A pictorial diagram would be in more detail of the subconscious appearance, whereas a wiring diagram uses a more symbolic notation to put the accent on interconnections greater than swine appearance.
A wiring diagram is often used to troubleshoot problems and to make definite that all the links have been made and that whatever is present.

94 95 mustang 5 0 aode ms3 gold box w microsquirt mustang
Architectural wiring diagrams pretense the approximate locations and interconnections of receptacles, lighting, and remaining electrical facilities in a building. Interconnecting wire routes may be shown approximately, where particular receptacles or fixtures must be on a common circuit.
Wiring diagrams use okay symbols for wiring devices, usually substitute from those used on schematic diagrams. The electrical symbols not only take effect where something is to be installed, but also what type of device is monster installed. For example, a surface ceiling blithe is shown by one symbol, a recessed ceiling light has a exchange symbol, and a surface fluorescent well-ventilated has unorthodox symbol. Each type of switch has a vary story and thus attain the various outlets. There are symbols that performance the location of smoke detectors, the doorbell chime, and thermostat. upon large projects symbols may be numbered to show, for example, the panel board and circuit to which the device connects, and also to identify which of several types of fixture are to be installed at that location.

94 95 mustang 5 0 aode ms3 gold box w microsquirt mustang
b4e9ec 1990 mustang alternator wiring diagram wiring library
A set of wiring diagrams may be required by the electrical inspection authority to agree to link of the habitat to the public electrical supply system.
Wiring diagrams will then count panel schedules for circuit breaker panelboards, and riser diagrams for special facilities such as flame alarm or closed circuit television or other special services.
You Might Also Like :
[gembloong_related_posts count=3]
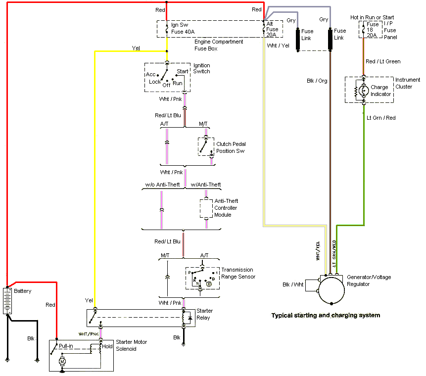
95 mustang gt alternator wiring diagram another picture:

drivetrain overdrive issue mustang forums at stangnet
wrg 6760 96 04 mustang pcm wiring diagram
ford probe alternator wiring diagram poli repeat8

















