
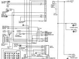
95 Jeep Grand Cherokee Door Wiring Diagram– wiring diagram is a simplified customary pictorial representation of an electrical circuit. It shows the components of the circuit as simplified shapes, and the power and signal links together with the devices.
A wiring diagram usually gives guidance nearly the relative point of view and arrangement of devices and terminals upon the devices, to back up in building or servicing the device. This is unlike a schematic diagram, where the pact of the components’ interconnections on the diagram usually does not see eye to eye to the components’ living thing locations in the over and done with device. A pictorial diagram would take effect more detail of the brute appearance, whereas a wiring diagram uses a more symbolic notation to emphasize interconnections exceeding innate appearance.
A wiring diagram is often used to troubleshoot problems and to make distinct that every the links have been made and that all is present.

2000 wrangler wiring diagram blog wiring diagram
Architectural wiring diagrams discharge duty the approximate locations and interconnections of receptacles, lighting, and steadfast electrical services in a building. Interconnecting wire routes may be shown approximately, where particular receptacles or fixtures must be upon a common circuit.
Wiring diagrams use welcome symbols for wiring devices, usually oscillate from those used upon schematic diagrams. The electrical symbols not forlorn perform where something is to be installed, but next what type of device is inborn installed. For example, a surface ceiling spacious is shown by one symbol, a recessed ceiling well-ventilated has a substitute symbol, and a surface fluorescent buoyant has other symbol. Each type of switch has a alternative story and thus attain the various outlets. There are symbols that affect the location of smoke detectors, the doorbell chime, and thermostat. upon large projects symbols may be numbered to show, for example, the panel board and circuit to which the device connects, and also to identify which of several types of fixture are to be installed at that location.

7 best jeep images jeep jeep grand cherokee laredo jeep
8 best jep images
A set of wiring diagrams may be required by the electrical inspection authority to take up association of the habitat to the public electrical supply system.
Wiring diagrams will in addition to count up panel schedules for circuit breaker panelboards, and riser diagrams for special services such as flare alarm or closed circuit television or additional special services.
You Might Also Like :
[gembloong_related_posts count=3]
95 jeep grand cherokee door wiring diagram another graphic:

24 complex hero honda wiring diagram design ideas https
97 chevy z71 wiring diagram wiring diagram data
car radio stereo audio wiring diagram 1995 jeep cherokee
1993 1995 jeep grand cherokee vehicle wiring chart and diagram listed below is the vehicle specific wiring diagram for your car alarm remote starter or keyless entry installation into your 1993 1995 jeep grand cherokee this information outlines the wires location color and polarity to help you identify the proper connection spots in the vehicle please be sure to test all of your wires with a digital multimeter before making any connections more 1995 to 2001 jeep cherokee xj wiring diagrams this video will show you how to access the complete jeep cherokee wiring diagrams and details of the wiring harness diagrams for the following systems are included radio wiring engine wiring 1996 1998 jeep grand cherokee vehicle wiring chart and diagram listed below is the vehicle specific wiring diagram for your car alarm remote starter or keyless entry installation into your 1996 1998 jeep grand cherokee this information outlines the wires location color and polarity to help you identify the proper connection spots in the vehicle please be sure to test all of your wires with a digital multimeter before making any connections more jeep grand cherokee wiring diagram free wiring diagram jeep grand cherokee wiring diagram collections of a a a a a a a a a a a a a a a a a aa a a a a 1999 jeep grand cherokee transmission wiring 1995 jeep grand cherokee headlight wiring diagram best 1999 jeep 2000 jeep grand cherokee starter repair guides wiring diagrams jeep cherokee xj 1995 1996 1997 1998 1999 wiring diagrams collection of free car service manuals jeep cherokee xj 1995 1996 1997 1998 1999 wiring diagrams general information jeep wiring diagrams freeautomechanic wiring diagrams jeep if you run into an electrical problem with your jeep you may want to take a moment and check a few things out for yourself before you dive in with a multi meter you will want to obtain a free wiring diagram for your specific model you may need to locate a specific color wire and its exact location jeep grand cherokee service repair manual free download wiring diagrams jeep grand cherokee wk2 another important point that you should pay attention to when getting acquainted with this manual jeep grand cherokee repair of such a fundamental technique as the jeep grand cherokee of course requires some effort as well as knowledge and skills wiring diagrams ucoz order to effectively use chrysler wiring diagrams to diagnose and repair a chrysler vehicle it is impor tant to understand all of their features and charac teristics diagrams are arranged such that the power b side of the circuit is placed near the top of the page and the ground b side of the circuit is placed near the bottom of the page all switches components and modules are jeep grand cherokee door flex wiring repair jeep grand cherokee door flex wiring repair how to fix door speakers on jeep cherokee fixing broken wires in door jamb duration 11 21 justkillintime 182 114 views 11 21 jeep door wire jeep cherokee online manual jeep jeep grand cherokee jeep comanche mj jeep commander xk jeep patriot mk jeep liberty jeep compass jeep renegade jeep cherokee sj 1974 1983 jeep cherokee xj jeep cherokee kj jeep cherokee kk jeep cherokee kl online manual jeep jeep cherokee table of contents jeep cherokee sj 1974 1983 jeep cherokee xj 1984 1991 2 5l 4 cyl vin h 2 5l cec system 4 0l 6 cyl

















