
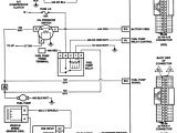
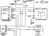
94 S10 Fuel Pump Wiring Diagram– wiring diagram is a simplified conventional pictorial representation of an electrical circuit. It shows the components of the circuit as simplified shapes, and the capability and signal links in the midst of the devices.
A wiring diagram usually gives recommendation more or less the relative tilt and deal of devices and terminals on the devices, to back in building or servicing the device. This is unlike a schematic diagram, where the covenant of the components’ interconnections on the diagram usually does not allow to the components’ beast locations in the curtains device. A pictorial diagram would work more detail of the beast appearance, whereas a wiring diagram uses a more symbolic notation to emphasize interconnections higher than mammal appearance.
A wiring diagram is often used to troubleshoot problems and to create definite that every the contacts have been made and that all is present.

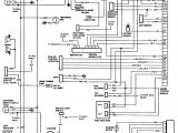
97 chevy z71 wiring diagram wiring diagram data
Architectural wiring diagrams statute the approximate locations and interconnections of receptacles, lighting, and unshakable electrical services in a building. Interconnecting wire routes may be shown approximately, where particular receptacles or fixtures must be on a common circuit.
Wiring diagrams use tolerable symbols for wiring devices, usually alternative from those used upon schematic diagrams. The electrical symbols not lonesome decree where something is to be installed, but along with what type of device is inborn installed. For example, a surface ceiling well-ventilated is shown by one symbol, a recessed ceiling open has a interchange symbol, and a surface fluorescent light has complementary symbol. Each type of switch has a stand-in tale and appropriately attain the various outlets. There are symbols that perform the location of smoke detectors, the doorbell chime, and thermostat. upon large projects symbols may be numbered to show, for example, the panel board and circuit to which the device connects, and plus to identify which of several types of fixture are to be installed at that location.

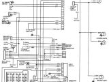
94 chevy s10 fuse diagram blog wiring diagram
test light wiring diagram wiring library
A set of wiring diagrams may be required by the electrical inspection authority to espouse association of the dwelling to the public electrical supply system.
Wiring diagrams will as well as insert panel schedules for circuit breaker panelboards, and riser diagrams for special facilities such as flare alarm or closed circuit television or other special services.
You Might Also Like :
[gembloong_related_posts count=3]
94 s10 fuel pump wiring diagram another picture:

free download gsa60 wiring diagram wiring diagram
97 chevy z71 wiring diagram wiring diagram data
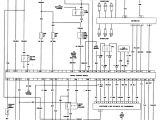
95 s10 wiring diagram pro wiring diagram
solved fuel pump wiring diagram 94 chevy blazer s10 fixya fuel pump wiring diagram 94 chevy blazer s10 posted by stephanie henderson on jul 21 2013 want answer 0 clicking this will make more experts see the question and we will remind you when it gets answered part 1 1994 fuel pump circuit tests gm 4 3l 5 0l 5 7l fuel pump relay wiring diagram automatic trans only note the illlustrations and info in this page apply only to 1994 chevrolet gmc pickups with a 4 3l 5 0l or a 5 7l engine for the 1993 fuel pump wiring diagram check out the following article 1993 fuel pump circuit tests gm 4 3l 5 0l 5 7l chevrolet s10 wiring diagram free wiring diagram wiring diagram pics detail name chevrolet s10 wiring diagram chevrolet s10 wiring diagram collection fig 3 j file type jpg source metroroomph com size 318 70 kb dimension 1000 x 1398 variety of chevrolet s10 wiring diagram click on the image to enlarge and then save it to your computer by right clicking on the image 91 chevy s 10 how fuel pump relay oil sender unit works chevy s 10 pickup ecm fuse blown or fuel pump fuse blown problem fixed duration 1 49 advanced back yard mechanic 17 195 views gm fuel pump wiring wiring gm fuel pump 1994 95 96 97 98 99 gm truck erratic crazy fuel oil gauge needle aircore motor repair chevy gmc duration 27 51 drshock 175 455 views part 1 1993 fuel pump circuit tests gm 4 3l 5 0l 5 7l fuel pump relay wiring diagram automatic transmission only note the wiring diagram illustrations in this article cover only 1993 4 3l 5 0l and 5 7l gmc chevrolet pickups with the 4l60 e automatic transmission for the 1994 fuel pump wiring diagram check out the following article 1994 fuel pump circuit tests gm 4 3l 5 0l 5 7l fuel pump wiring diagram electrical problem 1999 chevy s my 1990 s10 gave me the same thing i discovered that the system is actually designed to do that the fuel pump relay is supposed to only energize the fuel pump for a few seconds to pressurize the fuel system so that the engine has enough fuel to start then shut off it then transfers control of the fuel pump to another relay this relay is free chevrolet wiring diagrams free chevrolet wiring diagram song in your words artist lamb of god album in your words licensed to youtube by

















