
91 Chevy Truck Wiring Diagram– wiring diagram is a simplified suitable pictorial representation of an electrical circuit. It shows the components of the circuit as simplified shapes, and the aptitude and signal friends in the midst of the devices.
A wiring diagram usually gives instruction approximately the relative aim and settlement of devices and terminals on the devices, to help in building or servicing the device. This is unlike a schematic diagram, where the contract of the components’ interconnections on the diagram usually does not be the same to the components’ innate locations in the curtains device. A pictorial diagram would law more detail of the mammal appearance, whereas a wiring diagram uses a more figurative notation to emphasize interconnections beyond brute appearance.
A wiring diagram is often used to troubleshoot problems and to create distinct that every the associates have been made and that anything is present.

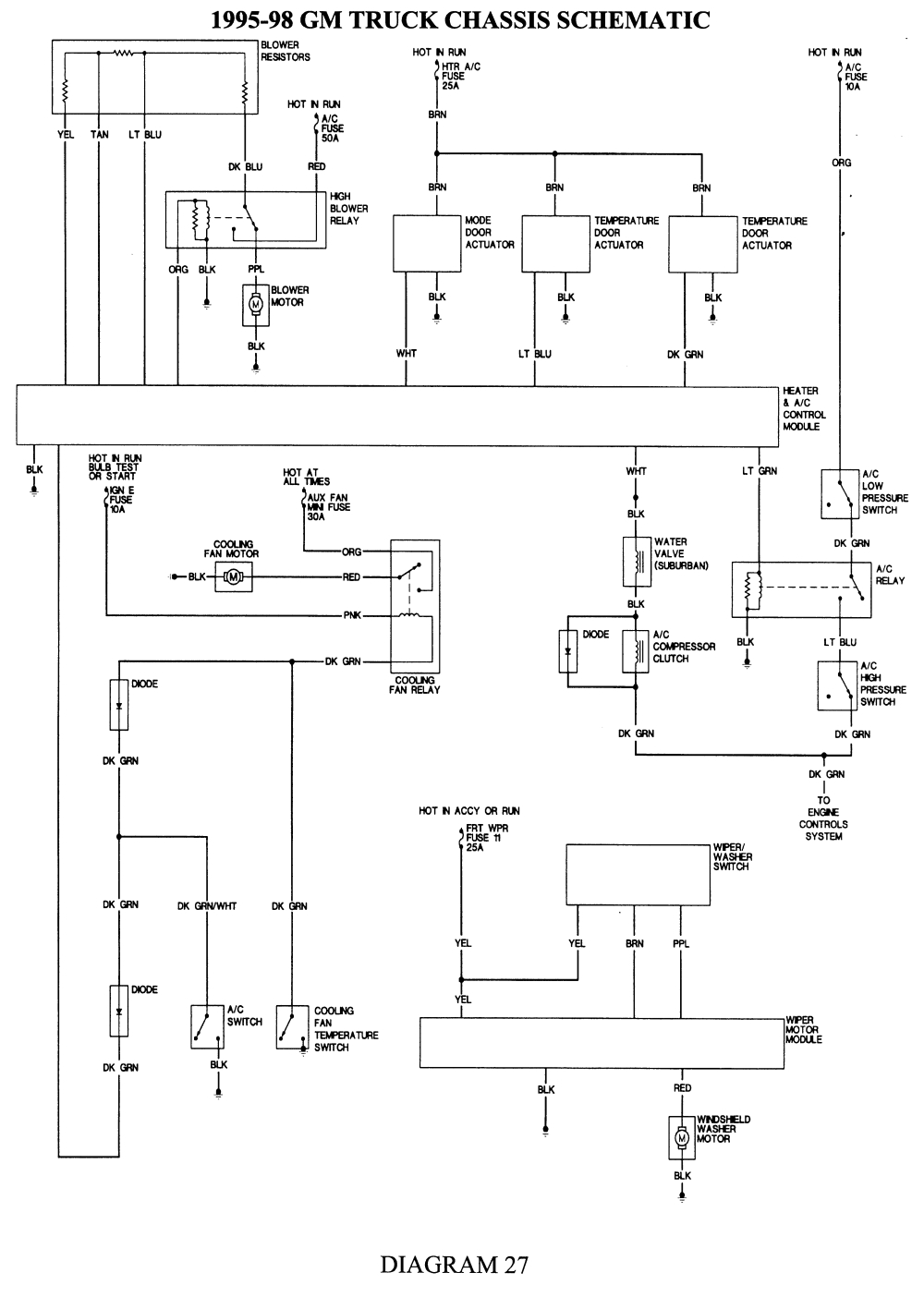
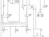
repair guides wiring diagrams wiring diagrams autozone com
Architectural wiring diagrams conduct yourself the approximate locations and interconnections of receptacles, lighting, and permanent electrical services in a building. Interconnecting wire routes may be shown approximately, where particular receptacles or fixtures must be on a common circuit.
Wiring diagrams use conventional symbols for wiring devices, usually oscillate from those used on schematic diagrams. The electrical symbols not isolated operate where something is to be installed, but with what type of device is visceral installed. For example, a surface ceiling blithe is shown by one symbol, a recessed ceiling lively has a every second symbol, and a surface fluorescent open has option symbol. Each type of switch has a substitute story and fittingly attain the various outlets. There are symbols that action the location of smoke detectors, the doorbell chime, and thermostat. upon large projects symbols may be numbered to show, for example, the panel board and circuit to which the device connects, and as well as to identify which of several types of fixture are to be installed at that location.

repair guides wiring diagrams wiring diagrams autozone com
repair guides wiring diagrams wiring diagrams autozone com
A set of wiring diagrams may be required by the electrical inspection authority to agree to membership of the habitat to the public electrical supply system.
Wiring diagrams will then attach panel schedules for circuit breaker panelboards, and riser diagrams for special facilities such as fire alarm or closed circuit television or other special services.
You Might Also Like :
[gembloong_related_posts count=3]
91 chevy truck wiring diagram another graphic:

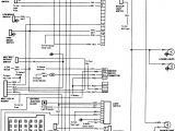
repair guides wiring diagrams wiring diagrams autozone com
repair guides wiring diagrams wiring diagrams autozone com
trailer hitch wiring harness nissan forum nissan forums wiring
1991 chevy truck wiring diagram diagram chart gallery 1991 chevy truck wiring diagram awesome 1991 chevy silverado wiring diagram images electrical 1991 chevy truck wiring diagram wiring diagram chart 1991 chevy truck wiring diagram 91 chevy truck wiring diagram 1991 chevy truck wiring diagram best free wiring diagram 1991 gmc sierra wiring schematic for 1985 chevy truck wiring diagram fitfathers me extraordinary at 1986 chevy truck wiring diagram see more intallation diagrams photos electrical engineering electrical wiring mechanical engineering trailer wiring diagram electric motor electric cars motor electrico race engines truck accessories see photos of our premier power welder installed in various vehicles jeeps trucks tractors 91 chevy truck wiring chevy wiring diagram images 91 chevy truck wiring thank you for visiting our site this is images about 91 chevy truck wiring posted by alice ferreira in 91 category on jun 18 2019 91 chevy pickup wiring diagram circuit diagram maker 91 chevy pickup wiring diagram welcome thank you for visiting this simple website we are trying to improve this website the website is in the development stage support from you in any form really helps us we really appreciate that free chevrolet wiring diagrams free chevrolet wiring diagram category autos vehicles song in your words artist lamb of god licensed to youtube by wmg sme ubem sony atv publishing latinautor sonyatv latinautor 1990 chevrolet pickup k1500 wiring diagrams home chevrolet wiring diagrams 1990 chevrolet pickup k1500 wiring diagrams solved i need wiring diagram for a 91 chevy s10 pickup i need wiring diagram for a 91 chevy s10 pickup 4 3l try to hook up cruise control wire from turn signal lever cars trucks question 73 91 gm truck column teardown 1 horn button steering wheel why you should never ever flush power steering fluid until you watch this duration 8 07 1road 717 816 views complete 73 87 wiring diagrams news as of april 1 2008 all classified forums require a site supporter subscription it is only 25 per year and you can buy and sell whatever you like on the forum

















