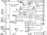
91 Chevy 1500 Wiring Diagram


Warning: count(): Parameter must be an array or an object that implements Countable in /var/www/html/autocardesign.org/wp-content/themes/silegan-wordpress-theme/inc/themeson.class.php on line 625
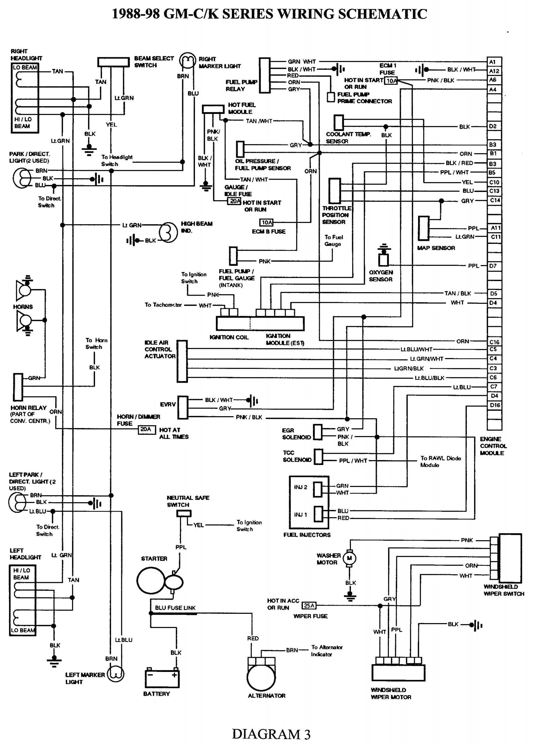
91 Chevy 1500 Wiring Diagram Gmgm Wiring Harness Diagram 88 98 with Images Electrical
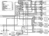
91 Chevy 1500 Wiring Diagram Gmgm Wiring Harness Diagram 88 98 with Images Electrical