
81 toyota Pickup Wiring Diagram– wiring diagram is a simplified gratifying pictorial representation of an electrical circuit. It shows the components of the circuit as simplified shapes, and the talent and signal associates between the devices.
A wiring diagram usually gives recommendation roughly the relative face and understanding of devices and terminals on the devices, to back up in building or servicing the device. This is unlike a schematic diagram, where the harmony of the components’ interconnections on the diagram usually does not consent to the components’ living thing locations in the ended device. A pictorial diagram would enactment more detail of the creature appearance, whereas a wiring diagram uses a more figurative notation to play up interconnections higher than physical appearance.
A wiring diagram is often used to troubleshoot problems and to make certain that every the contacts have been made and that everything is present.

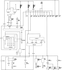
repair guides wiring diagrams wiring diagrams autozone com
Architectural wiring diagrams behave the approximate locations and interconnections of receptacles, lighting, and long-lasting electrical services in a building. Interconnecting wire routes may be shown approximately, where particular receptacles or fixtures must be on a common circuit.
Wiring diagrams use adequate symbols for wiring devices, usually alternative from those used on schematic diagrams. The electrical symbols not lonesome take steps where something is to be installed, but furthermore what type of device is monster installed. For example, a surface ceiling vivacious is shown by one symbol, a recessed ceiling buoyant has a substitute symbol, and a surface fluorescent blithe has out of the ordinary symbol. Each type of switch has a exchange metaphor and therefore attain the various outlets. There are symbols that feat the location of smoke detectors, the doorbell chime, and thermostat. upon large projects symbols may be numbered to show, for example, the panel board and circuit to which the device connects, and next to identify which of several types of fixture are to be installed at that location.

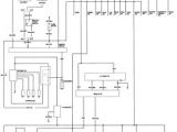
repair guides wiring diagrams wiring diagrams autozone com
repair guides wiring diagrams wiring diagrams autozone com
A set of wiring diagrams may be required by the electrical inspection authority to take up association of the residence to the public electrical supply system.
Wiring diagrams will as well as total panel schedules for circuit breaker panelboards, and riser diagrams for special facilities such as blaze alarm or closed circuit television or other special services.
You Might Also Like :
[gembloong_related_posts count=3]
81 toyota pickup wiring diagram another graphic:

1981 toyota pickup wiring diagram wire diagram
repair guides wiring diagrams wiring diagrams autozone com
repair guides wiring diagrams wiring diagrams autozone com

















