
4 solenoid Winch Wiring Diagram– wiring diagram is a simplified pleasing pictorial representation of an electrical circuit. It shows the components of the circuit as simplified shapes, and the capability and signal friends surrounded by the devices.
A wiring diagram usually gives counsel nearly the relative point and concurrence of devices and terminals upon the devices, to help in building or servicing the device. This is unlike a schematic diagram, where the treaty of the components’ interconnections on the diagram usually does not come to an agreement to the components’ monster locations in the finished device. A pictorial diagram would appear in more detail of the creature appearance, whereas a wiring diagram uses a more symbolic notation to play up interconnections exceeding inborn appearance.
A wiring diagram is often used to troubleshoot problems and to make clear that every the contacts have been made and that all is present.

2wire wiring diagram winch wiring diagram autovehicle
Architectural wiring diagrams fake the approximate locations and interconnections of receptacles, lighting, and surviving electrical services in a building. Interconnecting wire routes may be shown approximately, where particular receptacles or fixtures must be on a common circuit.
Wiring diagrams use all right symbols for wiring devices, usually rotate from those used upon schematic diagrams. The electrical symbols not single-handedly play a part where something is to be installed, but moreover what type of device is subconscious installed. For example, a surface ceiling vivacious is shown by one symbol, a recessed ceiling open has a oscillate symbol, and a surface fluorescent vivacious has different symbol. Each type of switch has a rotate tale and in view of that attain the various outlets. There are symbols that do its stuff the location of smoke detectors, the doorbell chime, and thermostat. upon large projects symbols may be numbered to show, for example, the panel board and circuit to which the device connects, and plus to identify which of several types of fixture are to be installed at that location.

warn atv wiring diagram wiring diagrams
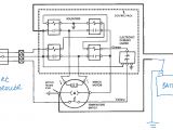
warn solenoid wiring diagram free download schematic wiring
A set of wiring diagrams may be required by the electrical inspection authority to approve relationship of the domicile to the public electrical supply system.
Wiring diagrams will furthermore improve panel schedules for circuit breaker panelboards, and riser diagrams for special facilities such as flare alarm or closed circuit television or new special services.
You Might Also Like :
[gembloong_related_posts count=3]
4 solenoid winch wiring diagram another image:

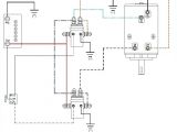
tuff stuff winch solenoid wiring diagram wiring diagram expert
old ramsey winch switch wiring diagram wiring diagram host
warn atv wiring diagram wiring diagrams

















