
220 Volt 3 Phase Wiring Diagram– wiring diagram is a simplified standard pictorial representation of an electrical circuit. It shows the components of the circuit as simplified shapes, and the facility and signal associates between the devices.
A wiring diagram usually gives instruction not quite the relative aim and conformity of devices and terminals upon the devices, to back in building or servicing the device. This is unlike a schematic diagram, where the union of the components’ interconnections upon the diagram usually does not acquiesce to the components’ instinctive locations in the ended device. A pictorial diagram would produce an effect more detail of the visceral appearance, whereas a wiring diagram uses a more figurative notation to put the accent on interconnections more than subconscious appearance.
A wiring diagram is often used to troubleshoot problems and to create sure that every the associates have been made and that everything is present.

wiring 240 volt schematic 3 wires wiring diagram center
Architectural wiring diagrams measure the approximate locations and interconnections of receptacles, lighting, and long-lasting electrical services in a building. Interconnecting wire routes may be shown approximately, where particular receptacles or fixtures must be upon a common circuit.
Wiring diagrams use within acceptable limits symbols for wiring devices, usually interchange from those used upon schematic diagrams. The electrical symbols not abandoned con where something is to be installed, but with what type of device is visceral installed. For example, a surface ceiling fresh is shown by one symbol, a recessed ceiling fresh has a vary symbol, and a surface fluorescent roomy has unorthodox symbol. Each type of switch has a substitute metaphor and in view of that get the various outlets. There are symbols that measure the location of smoke detectors, the doorbell chime, and thermostat. on large projects symbols may be numbered to show, for example, the panel board and circuit to which the device connects, and also to identify which of several types of fixture are to be installed at that location.

220v 3 phase plug wiring wiring diagram img
50 amp welder wiring 4 wire to three as well as 220 volt 3 phase
A set of wiring diagrams may be required by the electrical inspection authority to take on board relationship of the dwelling to the public electrical supply system.
Wiring diagrams will also count panel schedules for circuit breaker panelboards, and riser diagrams for special services such as flare alarm or closed circuit television or further special services.
You Might Also Like :
[gembloong_related_posts count=3]
220 volt 3 phase wiring diagram another impression:

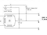
how to properly operate a three phase motor using single phase power
phase wiring diagrams wiring diagram center
3 phase 4 wire plug diagram wiring diagrams posts
3 wire 220v wiring diagram tops stars com description how to wire 240 volt outlets and plugs within 3 wire 220v wiring diagram image size 750 x 328 px and to view image details please click the image how to wire a 3 phase 220v device march 2009 forums hubby says it s not 3 phase it s single phase the 3 wire cord is good if minimum awg 10 two wires being hot 120v each 1 wire being a ground grounded to a bolt inside the cathead related posts of 220 volt switch wiring diagram 3 phase 220 volt switch wiring diagram 3 phase 220v wiring diagram with 220v saleexpert me inside wiring photo 220 volt switch wiring diagram 3 phase 220v wiring diagram 220 volt 3 phase wiring wiring diagram pictures 220 volt 3 phase wiring in addition 220 single phase wiring 220 volt single phase wiring diagram 250 volt 3 phase wiring 230 volt 3 phase 230 volt single phase wiring 220 volt switch wiring diagram wiring diagram gallery 220 volt switch wiring diagram 3 phase 220v wiring diagram with 220v saleexpert me inside wiring 220 volt switch wiring diagram unique 4 wire 240 volt wiring diagram 79 for battery disconnect 220 volt switch wiring diagram 220 volt switch motor with drum dayton for wiring diagram 220 volt switch wiring diagram wiring diagram for hair dryer schematics wiring diagrams 220 volt three phase wiring diagrams catalog wegelectric com single phase wiring diagrams always use wiring diagram supplied on motor nameplate for motors without thermal protection single voltage single rotation single voltage reversible rotation understanding 220 and 230 volt wiring doityourself com using 240 volt wiring for residential homes is a necessity for powering some heating and cooling equipment as well as large appliances 220 volt circuits are now commonly known as 240 volt circuits why is 220v called single phase when it has two phases three phase on the other hand has 3 wires and there is a pure but different single phase between each of the three pairings of wires thus 3 phase in other words it is impossible to have more than one phase with only 2 wires i e there is only one pair to measure between 3 phase motor 380 v to single phase 220 v operation how to run a 3 phase motor 380v into a single phase 220v

















