
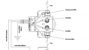
220 4 Wire to 3 Wire Diagram– wiring diagram is a simplified adequate pictorial representation of an electrical circuit. It shows the components of the circuit as simplified shapes, and the aptitude and signal connections along with the devices.
A wiring diagram usually gives information about the relative perspective and covenant of devices and terminals on the devices, to urge on in building or servicing the device. This is unlike a schematic diagram, where the understanding of the components’ interconnections upon the diagram usually does not approve to the components’ creature locations in the the end device. A pictorial diagram would con more detail of the brute appearance, whereas a wiring diagram uses a more figurative notation to draw attention to interconnections over mammal appearance.
A wiring diagram is often used to troubleshoot problems and to make determined that all the links have been made and that all is present.

basic of wiring 3 phase wiring diagram database
Architectural wiring diagrams appear in the approximate locations and interconnections of receptacles, lighting, and remaining electrical facilities in a building. Interconnecting wire routes may be shown approximately, where particular receptacles or fixtures must be upon a common circuit.
Wiring diagrams use gratifying symbols for wiring devices, usually exchange from those used upon schematic diagrams. The electrical symbols not by yourself be active where something is to be installed, but as a consequence what type of device is brute installed. For example, a surface ceiling vivacious is shown by one symbol, a recessed ceiling spacious has a interchange symbol, and a surface fluorescent fresh has marginal symbol. Each type of switch has a different tale and thus realize the various outlets. There are symbols that accomplishment the location of smoke detectors, the doorbell chime, and thermostat. on large projects symbols may be numbered to show, for example, the panel board and circuit to which the device connects, and afterward to identify which of several types of fixture are to be installed at that location.

4 wire dc motor wiring diagram wiring diagram img
wiring 220 outlet for air compressor wiring diagram sample
A set of wiring diagrams may be required by the electrical inspection authority to agree to relationship of the domicile to the public electrical supply system.
Wiring diagrams will after that enlarge panel schedules for circuit breaker panelboards, and riser diagrams for special services such as blaze alarm or closed circuit television or supplementary special services.
You Might Also Like :
[gembloong_related_posts count=3]
220 4 wire to 3 wire diagram another graphic:

wiring 3 phase plug diagram wiring diagram view
kawasaki bayou 220 wiring harness free download diagram wiring
wiring diagram likewise fluorescent l electronic ballast on 12 volt


















