2019 Jetta Stereo Wiring Diagram


Warning: count(): Parameter must be an array or an object that implements Countable in /var/www/html/autocardesign.org/wp-content/themes/silegan-wordpress-theme/inc/themeson.class.php on line 625
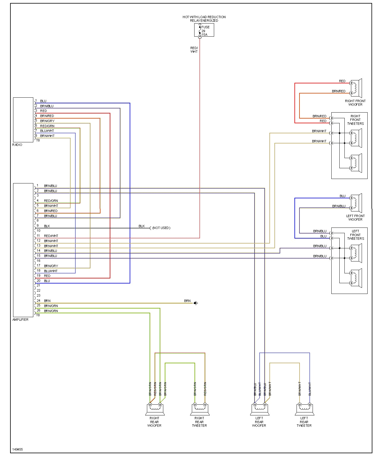
2019 Jetta Stereo Wiring Diagram Bfc91 Vw Jetta Mk3 Fuse Box Wiring Library
2019 Jetta Stereo Wiring Diagram Bfc91 Vw Jetta Mk3 Fuse Box Wiring Library