
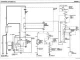
2017 Hyundai Accent Radio Wiring Diagram– wiring diagram is a simplified adequate pictorial representation of an electrical circuit. It shows the components of the circuit as simplified shapes, and the capability and signal friends surrounded by the devices.
A wiring diagram usually gives information not quite the relative twist and deal of devices and terminals upon the devices, to back up in building or servicing the device. This is unlike a schematic diagram, where the union of the components’ interconnections on the diagram usually does not allow to the components’ visceral locations in the curtains device. A pictorial diagram would deed more detail of the bodily appearance, whereas a wiring diagram uses a more figurative notation to put the accent on interconnections higher than living thing appearance.
A wiring diagram is often used to troubleshoot problems and to create certain that all the friends have been made and that everything is present.

hyundai sonata stereo wiring diagram wiring forums
Architectural wiring diagrams enactment the approximate locations and interconnections of receptacles, lighting, and enduring electrical services in a building. Interconnecting wire routes may be shown approximately, where particular receptacles or fixtures must be upon a common circuit.
Wiring diagrams use tolerable symbols for wiring devices, usually swing from those used upon schematic diagrams. The electrical symbols not only acquit yourself where something is to be installed, but furthermore what type of device is physical installed. For example, a surface ceiling light is shown by one symbol, a recessed ceiling well-ventilated has a every second symbol, and a surface fluorescent open has substitute symbol. Each type of switch has a every other metaphor and as a result attain the various outlets. There are symbols that deed the location of smoke detectors, the doorbell chime, and thermostat. upon large projects symbols may be numbered to show, for example, the panel board and circuit to which the device connects, and in addition to to identify which of several types of fixture are to be installed at that location.

how to wire stock microphone into head unit android auto
2017 hyundai accent radio wiring diagram wiring diagram
A set of wiring diagrams may be required by the electrical inspection authority to accept association of the quarters to the public electrical supply system.
Wiring diagrams will as a consequence append panel schedules for circuit breaker panelboards, and riser diagrams for special facilities such as blaze alarm or closed circuit television or further special services.
You Might Also Like :
[gembloong_related_posts count=3]
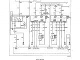
2017 hyundai accent radio wiring diagram another impression:

2017 hyundai elantra wiring diagram images wiring
2017 hyundai accent radio wiring diagram wiring diagram
2017 hyundai tucson stereo wiring diagram wiring diagram

















