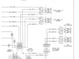
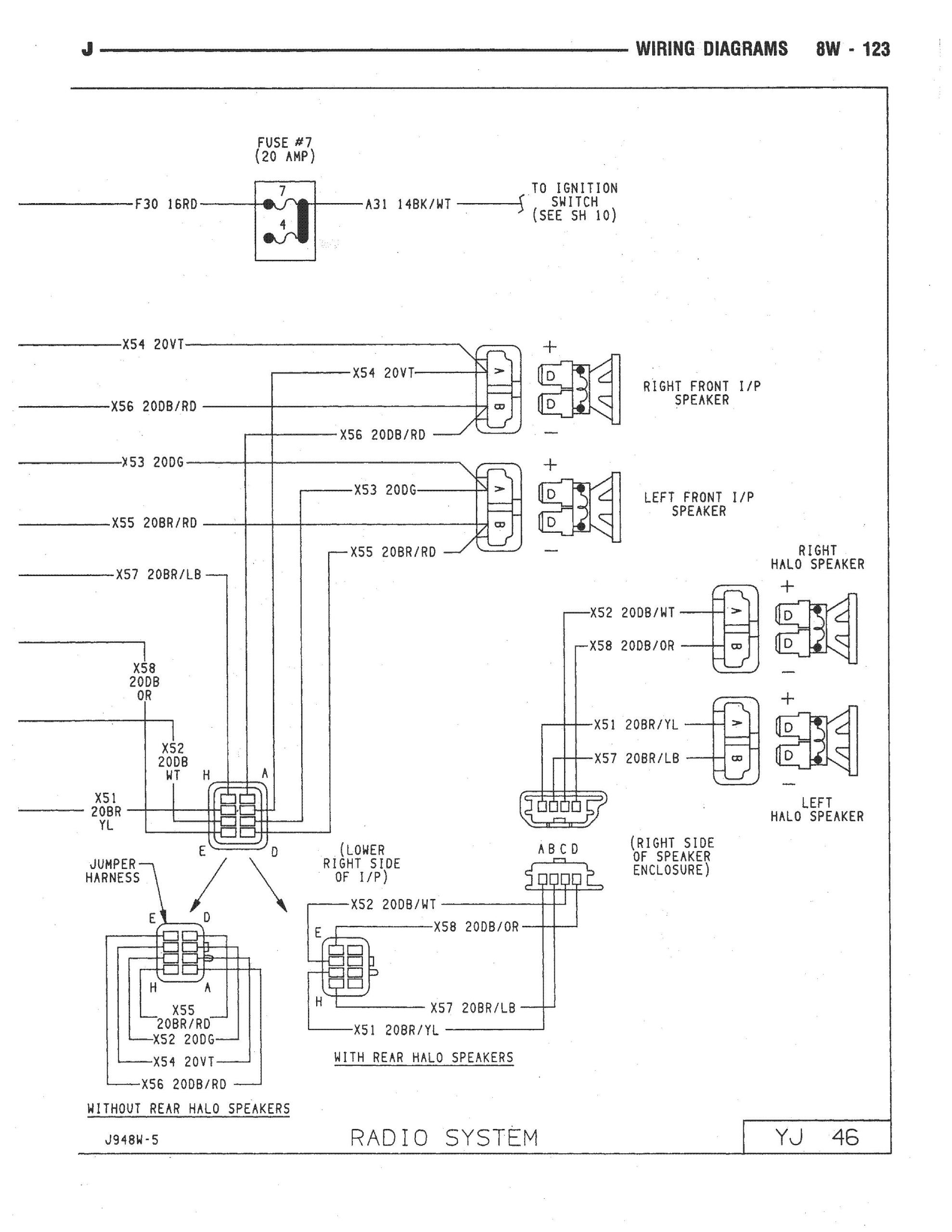
2014 Jeep Patriot Stereo Wiring Diagram


Warning: count(): Parameter must be an array or an object that implements Countable in /var/www/html/autocardesign.org/wp-content/themes/silegan-wordpress-theme/inc/themeson.class.php on line 625
2014 Jeep Patriot Stereo Wiring Diagram 29cd8c 2015 Jeep Patriot Fuse Diagram Wiring Library
2014 Jeep Patriot Stereo Wiring Diagram 29cd8c 2015 Jeep Patriot Fuse Diagram Wiring Library