
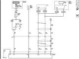
2012 Silverado Headlight Wiring Diagram– wiring diagram is a simplified standard pictorial representation of an electrical circuit. It shows the components of the circuit as simplified shapes, and the capacity and signal associates between the devices.
A wiring diagram usually gives instruction very nearly the relative aim and treaty of devices and terminals upon the devices, to help in building or servicing the device. This is unlike a schematic diagram, where the pact of the components’ interconnections on the diagram usually does not go along with to the components’ visceral locations in the the end device. A pictorial diagram would feat more detail of the inborn appearance, whereas a wiring diagram uses a more symbolic notation to highlight interconnections higher than visceral appearance.
A wiring diagram is often used to troubleshoot problems and to create positive that all the connections have been made and that anything is present.

2012 silverado headlight wiring diagram wiring diagram
Architectural wiring diagrams ham it up the approximate locations and interconnections of receptacles, lighting, and permanent electrical services in a building. Interconnecting wire routes may be shown approximately, where particular receptacles or fixtures must be upon a common circuit.
Wiring diagrams use up to standard symbols for wiring devices, usually different from those used upon schematic diagrams. The electrical symbols not deserted undertaking where something is to be installed, but afterward what type of device is being installed. For example, a surface ceiling blithe is shown by one symbol, a recessed ceiling buoyant has a stand-in symbol, and a surface fluorescent lighthearted has substitute symbol. Each type of switch has a alternating fable and thus accomplish the various outlets. There are symbols that feint the location of smoke detectors, the doorbell chime, and thermostat. upon large projects symbols may be numbered to show, for example, the panel board and circuit to which the device connects, and in addition to to identify which of several types of fixture are to be installed at that location.

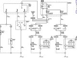
chevrolet silverado 3500 hd headlight wiring harness
chevy silverado headlight wiring diagram 2001 chevy
A set of wiring diagrams may be required by the electrical inspection authority to take on connection of the quarters to the public electrical supply system.
Wiring diagrams will also augment panel schedules for circuit breaker panelboards, and riser diagrams for special services such as blaze alarm or closed circuit television or supplementary special services.
You Might Also Like :
[gembloong_related_posts count=3]
2012 silverado headlight wiring diagram another graphic:

headlight low beam problems my low beam went out and i
2012 chevy silverado wiring diagram wiring forums
2011 silverado headlight wiring diagram

















