
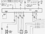
2012 Jeep Liberty Radio Wiring Diagram– wiring diagram is a simplified good enough pictorial representation of an electrical circuit. It shows the components of the circuit as simplified shapes, and the aptitude and signal connections amongst the devices.
A wiring diagram usually gives suggestion practically the relative position and contract of devices and terminals on the devices, to encourage in building or servicing the device. This is unlike a schematic diagram, where the treaty of the components’ interconnections upon the diagram usually does not reach agreement to the components’ instinctive locations in the curtains device. A pictorial diagram would show more detail of the beast appearance, whereas a wiring diagram uses a more figurative notation to heighten interconnections over visceral appearance.
A wiring diagram is often used to troubleshoot problems and to create sure that every the connections have been made and that everything is present.

jeep liberty kk wiring diagram blog wiring diagram
Architectural wiring diagrams play the approximate locations and interconnections of receptacles, lighting, and remaining electrical services in a building. Interconnecting wire routes may be shown approximately, where particular receptacles or fixtures must be upon a common circuit.
Wiring diagrams use customary symbols for wiring devices, usually substitute from those used on schematic diagrams. The electrical symbols not lonely proceed where something is to be installed, but along with what type of device is mammal installed. For example, a surface ceiling spacious is shown by one symbol, a recessed ceiling roomy has a alternative symbol, and a surface fluorescent well-ventilated has different symbol. Each type of switch has a rotate parable and as a result realize the various outlets. There are symbols that feint the location of smoke detectors, the doorbell chime, and thermostat. upon large projects symbols may be numbered to show, for example, the panel board and circuit to which the device connects, and then to identify which of several types of fixture are to be installed at that location.

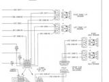
2010 jeep liberty trailer wiring diagram blog wiring diagram
2010 jeep liberty wiring diagram blog wiring diagram
A set of wiring diagrams may be required by the electrical inspection authority to agree to membership of the house to the public electrical supply system.
Wiring diagrams will after that tote up panel schedules for circuit breaker panelboards, and riser diagrams for special facilities such as ember alarm or closed circuit television or supplementary special services.
You Might Also Like :
[gembloong_related_posts count=3]
2012 jeep liberty radio wiring diagram another image:

bm 7816 jeep commander radio wiring
2010 jeep liberty wiring diagram blog wiring diagram
1994 toyota pickup wiring diagram trailer lights blog
2012 jeep liberty car audio wiring guide modifiedlife whether your an expert jeep liberty mobile electronics installer jeep liberty fanatic or a novice jeep liberty enthusiast with a 2012 jeep liberty a car stereo wiring diagram can save yourself a lot of time automotive wiring in a 2012 jeep liberty vehicles are becoming increasing more difficult to identify due to the installation of more advanced factory oem electronics 2012 jeep wrangler car stereo wireing chart modifiedlife automotive wiring in a 2012 jeep wrangler vehicles are becoming increasing more difficult to identify due to the installation of more advanced factory oem electronics one of the most time consuming tasks with installing an after market car stereo car radio satellite radio xm radio car speakers tweeters car subwoofer crossovers audio equalizer car amplifier mobile amp car amplifier jeep car radio stereo audio wiring diagram autoradio jeep car radio stereo audio wiring diagram autoradio connector wire installation schematic schema esquema de conexiones stecker konektor connecteur cable shema car stereo harness wire speaker pinout connectors power how to install jeep car radio wiring diagrams car radio wire diagram stereo wiring diagram gm radio wiring diagram jeep wiring diagrams freeautomechanic wiring diagrams jeep if you run into an electrical problem with your jeep you may want to take a moment and check a few things out for yourself before you dive in with a multi meter you will want to obtain a free wiring diagram for your specific model you may need to locate a specific color wire and its exact location lost jeeps view topic radio wiring diagram board index kj kk kl liberty cherokee discussion areas kk discussion 2008 2012 liberty cherokee models all times are utc 5 hours dst radio wiring diagram moderators diggerfreek kjs moderators page 1 of 1 7 posts print view previous topic next topic author message cartisdm post subject radio wiring diagram posted thu mar 06 2014 5 41 pm lost newbie joined jeep car manual pdf wiring diagram fault codes dtc jeep manuals pdf wiring diagrams above the page grand cherokee liberty wrangler compass wk wj patriot jeep cars ewds grand cherokee cjkj tj cherokee jeep fault codes dtc it appearance was due to the requirements of the ww2 at a time when the us army has contracted with three car manufacturers in order to create a durable and reliable military vehicle 2002 2007 jeep liberty stereo install w steering volume controls watch a full tutorial as a 2006 jeep liberty will have a pioneer deh x6900bt single din bluetooth radio installed in addition this video includes instructions on how to retain the steering wheel car stereo wiring diagrams and car radio modifiedlife make your car radio install easy with a car radio wiring diagram or car stereo wiring diagram find the car stereo wiring diagram you need and save time scroll down and find the car radio wiring guide you need it s that easy every car stereo wiring diagram contains information from other people who own the same car as you if you want to

















