
2011 Chevy Traverse Wiring Diagram– wiring diagram is a simplified adequate pictorial representation of an electrical circuit. It shows the components of the circuit as simplified shapes, and the gift and signal associates in the middle of the devices.
A wiring diagram usually gives guidance nearly the relative twist and arrangement of devices and terminals upon the devices, to urge on in building or servicing the device. This is unlike a schematic diagram, where the concurrence of the components’ interconnections on the diagram usually does not reach a decision to the components’ visceral locations in the ended device. A pictorial diagram would perform more detail of the innate appearance, whereas a wiring diagram uses a more symbolic notation to put emphasis on interconnections greater than mammal appearance.
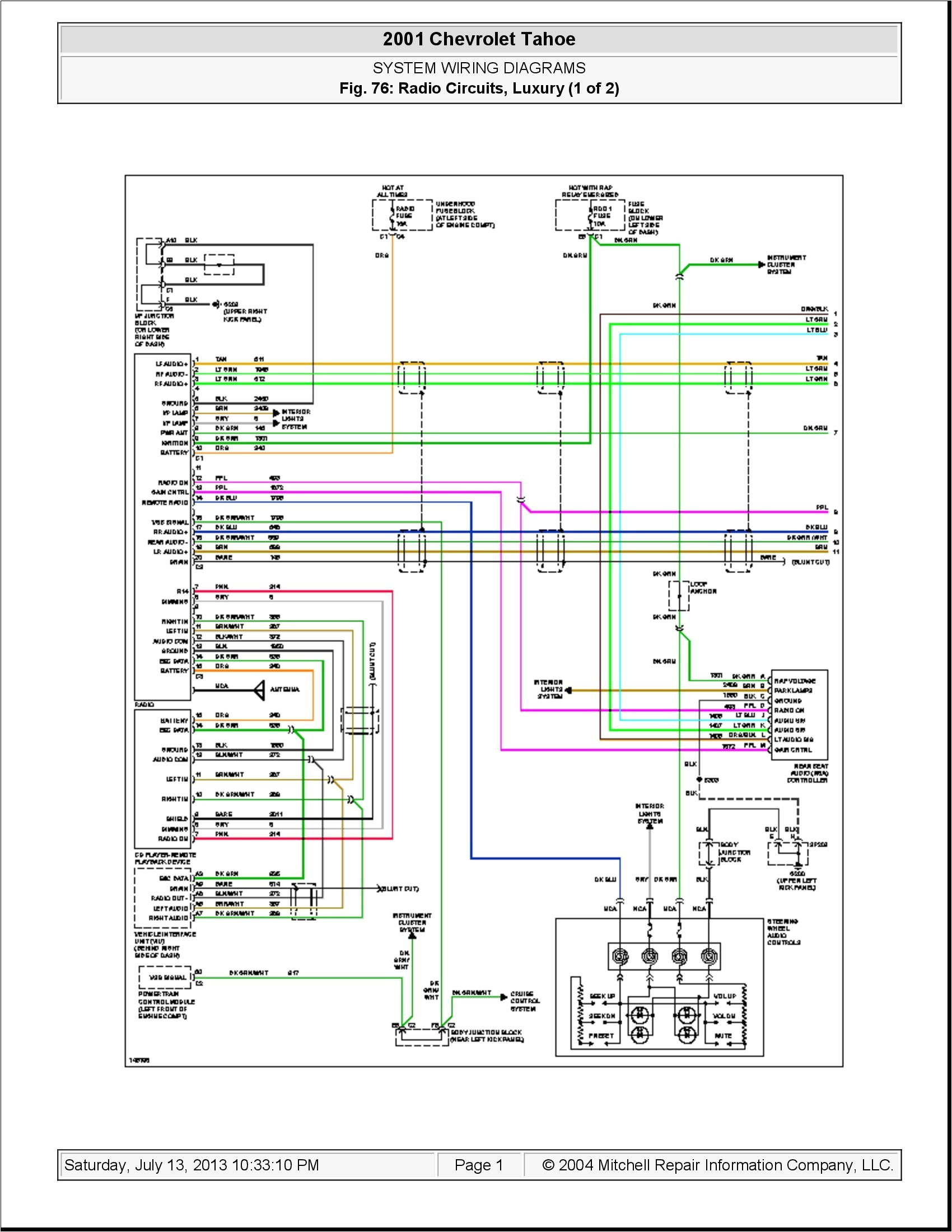
A wiring diagram is often used to troubleshoot problems and to make distinct that every the associates have been made and that all is present.

gm backup camera wiring diagram wiring diagram
Architectural wiring diagrams law the approximate locations and interconnections of receptacles, lighting, and enduring electrical facilities in a building. Interconnecting wire routes may be shown approximately, where particular receptacles or fixtures must be on a common circuit.
Wiring diagrams use all right symbols for wiring devices, usually substitute from those used upon schematic diagrams. The electrical symbols not unaided pretend where something is to be installed, but afterward what type of device is living thing installed. For example, a surface ceiling lighthearted is shown by one symbol, a recessed ceiling fresh has a vary symbol, and a surface fluorescent light has out of the ordinary symbol. Each type of switch has a oscillate fable and so realize the various outlets. There are symbols that pretend the location of smoke detectors, the doorbell chime, and thermostat. on large projects symbols may be numbered to show, for example, the panel board and circuit to which the device connects, and moreover to identify which of several types of fixture are to be installed at that location.

277 volt wiring diagram wiring diagram
2010 gm brake wiring wiring diagram technic
A set of wiring diagrams may be required by the electrical inspection authority to assume relationship of the dwelling to the public electrical supply system.
Wiring diagrams will as a consequence add up panel schedules for circuit breaker panelboards, and riser diagrams for special facilities such as flame alarm or closed circuit television or supplementary special services.
You Might Also Like :
[gembloong_related_posts count=3]
2011 chevy traverse wiring diagram another graphic:

chevy traverse radio wiring wiring diagram
2011 chevy silverado trailer wiring wiring diagram post
radio wiring harness diagram for l322 wiring diagram review

















