2010 toyota Prius Electrical Wiring Diagrams Pdf


Warning: count(): Parameter must be an array or an object that implements Countable in /var/www/html/autocardesign.org/wp-content/themes/silegan-wordpress-theme/inc/themeson.class.php on line 625
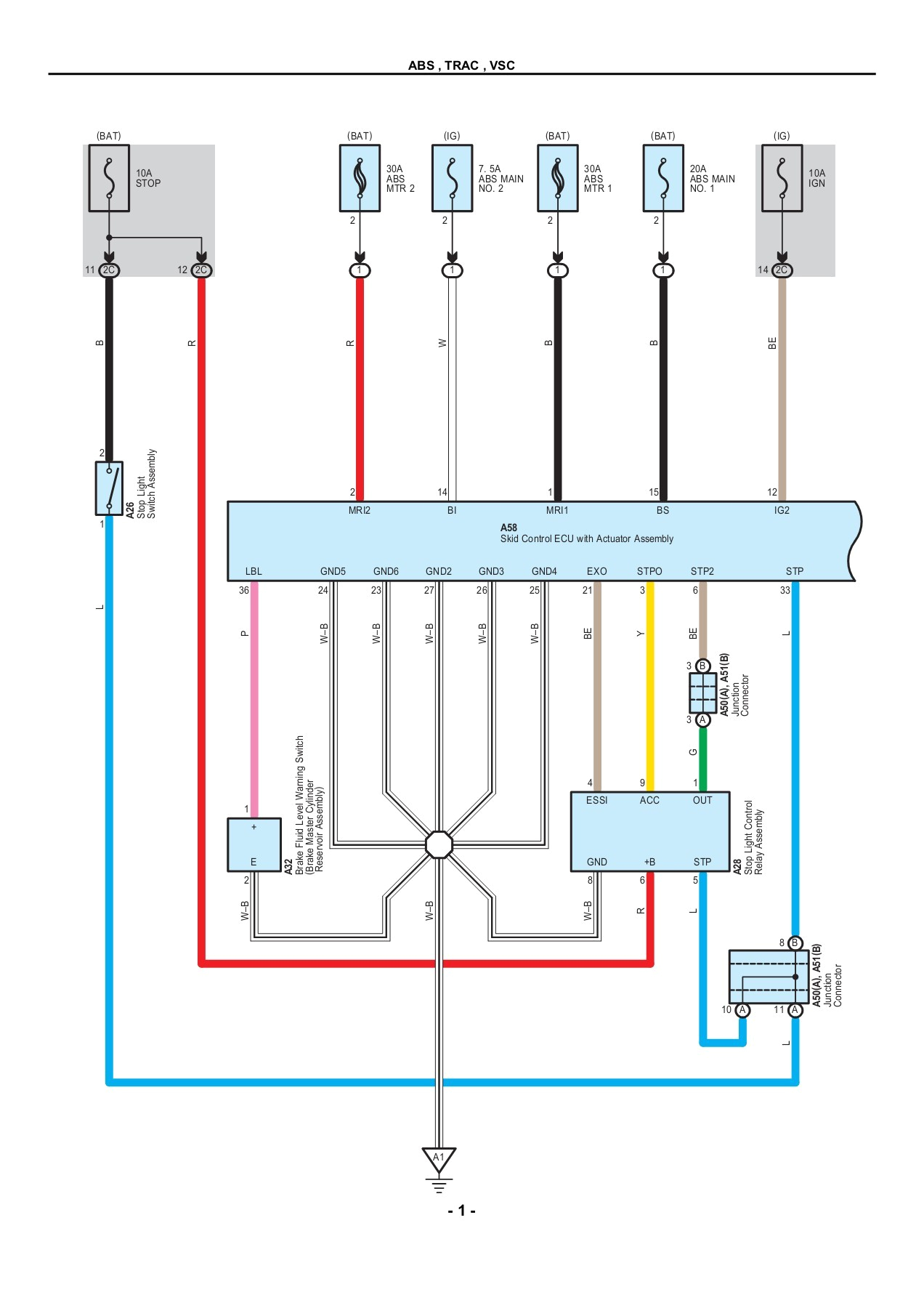
2010 toyota Prius Electrical Wiring Diagrams Pdf C75 toyota Prius Wiring Diagram 2010 Wiring Library
2010 toyota Prius Electrical Wiring Diagrams Pdf C75 toyota Prius Wiring Diagram 2010 Wiring Library