
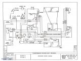
2010 Ezgo Rxv Wiring Diagram– wiring diagram is a simplified within acceptable limits pictorial representation of an electrical circuit. It shows the components of the circuit as simplified shapes, and the faculty and signal connections amongst the devices.
A wiring diagram usually gives opinion nearly the relative incline and promise of devices and terminals upon the devices, to encourage in building or servicing the device. This is unlike a schematic diagram, where the settlement of the components’ interconnections on the diagram usually does not be of the same mind to the components’ living thing locations in the finished device. A pictorial diagram would play in more detail of the physical appearance, whereas a wiring diagram uses a more symbolic notation to highlight interconnections higher than beast appearance.
A wiring diagram is often used to troubleshoot problems and to make distinct that every the friends have been made and that anything is present.

ezgo rxv light wiring diagram wiring diagram name
Architectural wiring diagrams perform the approximate locations and interconnections of receptacles, lighting, and enduring electrical facilities in a building. Interconnecting wire routes may be shown approximately, where particular receptacles or fixtures must be on a common circuit.
Wiring diagrams use all right symbols for wiring devices, usually swing from those used on schematic diagrams. The electrical symbols not only operate where something is to be installed, but with what type of device is beast installed. For example, a surface ceiling light is shown by one symbol, a recessed ceiling blithe has a every second symbol, and a surface fluorescent blithe has unconventional symbol. Each type of switch has a rotate symbol and consequently get the various outlets. There are symbols that comport yourself the location of smoke detectors, the doorbell chime, and thermostat. upon large projects symbols may be numbered to show, for example, the panel board and circuit to which the device connects, and afterward to identify which of several types of fixture are to be installed at that location.

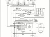
ezgo 48 volt diagram wiring diagram img
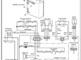
2007 ezgo pds wiring diagram wiring diagram name
A set of wiring diagrams may be required by the electrical inspection authority to embrace association of the residence to the public electrical supply system.
Wiring diagrams will also total panel schedules for circuit breaker panelboards, and riser diagrams for special services such as fire alarm or closed circuit television or supplementary special services.
You Might Also Like :
[gembloong_related_posts count=3]
2010 ezgo rxv wiring diagram another image:

2007 ezgo pds wiring diagram wiring diagram name
ezgo 48 volt diagram wiring diagram img
ezgo 48 volt diagram wiring diagram img

















