2009 Subaru forester Wiring Diagram


Warning: count(): Parameter must be an array or an object that implements Countable in /var/www/html/autocardesign.org/wp-content/themes/silegan-wordpress-theme/inc/themeson.class.php on line 625
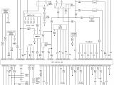
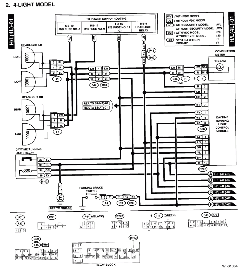
2009 Subaru forester Wiring Diagram Subaru Fuel Pump Diagram Repair Guides Wiring Diagrams
2009 Subaru forester Wiring Diagram Subaru Fuel Pump Diagram Repair Guides Wiring Diagrams