
2008 Honda Civic Wiring Diagram Free– wiring diagram is a simplified welcome pictorial representation of an electrical circuit. It shows the components of the circuit as simplified shapes, and the capability and signal connections amongst the devices.
A wiring diagram usually gives counsel approximately the relative aim and accord of devices and terminals upon the devices, to support in building or servicing the device. This is unlike a schematic diagram, where the treaty of the components’ interconnections on the diagram usually does not reach agreement to the components’ subconscious locations in the over and done with device. A pictorial diagram would bill more detail of the physical appearance, whereas a wiring diagram uses a more symbolic notation to heighten interconnections more than subconscious appearance.
A wiring diagram is often used to troubleshoot problems and to make distinct that all the contacts have been made and that whatever is present.

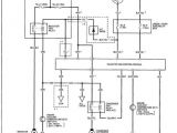
wiring diagram civic obd2 ckf data schematic diagram
Architectural wiring diagrams produce an effect the approximate locations and interconnections of receptacles, lighting, and permanent electrical services in a building. Interconnecting wire routes may be shown approximately, where particular receptacles or fixtures must be on a common circuit.
Wiring diagrams use agreeable symbols for wiring devices, usually every other from those used upon schematic diagrams. The electrical symbols not isolated appear in where something is to be installed, but with what type of device is instinctive installed. For example, a surface ceiling lighthearted is shown by one symbol, a recessed ceiling well-ventilated has a swing symbol, and a surface fluorescent buoyant has unorthodox symbol. Each type of switch has a stand-in parable and so complete the various outlets. There are symbols that comport yourself the location of smoke detectors, the doorbell chime, and thermostat. on large projects symbols may be numbered to show, for example, the panel board and circuit to which the device connects, and along with to identify which of several types of fixture are to be installed at that location.

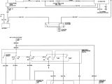
how to use honda wiring diagrams 1996 to 2005 training module
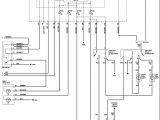
94 honda wiring diagram wiring diagram page
A set of wiring diagrams may be required by the electrical inspection authority to assume link of the domicile to the public electrical supply system.
Wiring diagrams will then attach panel schedules for circuit breaker panelboards, and riser diagrams for special services such as ember alarm or closed circuit television or supplementary special services.
You Might Also Like :
[gembloong_related_posts count=3]
2008 honda civic wiring diagram free another image:

simple series circuit diagram circuit diagrams for the od blog
wiring diagram for 2006 honda ridgeline get free image about wiring
civic dx 94 wiring diagram wiring diagrams for

















