
2008 Dodge Dakota Radio Wiring Diagram– wiring diagram is a simplified standard pictorial representation of an electrical circuit. It shows the components of the circuit as simplified shapes, and the gift and signal links surrounded by the devices.
A wiring diagram usually gives guidance nearly the relative face and understanding of devices and terminals upon the devices, to assist in building or servicing the device. This is unlike a schematic diagram, where the accord of the components’ interconnections upon the diagram usually does not reach agreement to the components’ mammal locations in the ended device. A pictorial diagram would operate more detail of the being appearance, whereas a wiring diagram uses a more symbolic notation to heighten interconnections higher than innate appearance.
A wiring diagram is often used to troubleshoot problems and to create positive that all the connections have been made and that anything is present.

2008 dodge avenger radio wiring diagram free wiring diagram
Architectural wiring diagrams produce an effect the approximate locations and interconnections of receptacles, lighting, and permanent electrical services in a building. Interconnecting wire routes may be shown approximately, where particular receptacles or fixtures must be upon a common circuit.
Wiring diagrams use agreeable symbols for wiring devices, usually swap from those used on schematic diagrams. The electrical symbols not forlorn be active where something is to be installed, but next what type of device is innate installed. For example, a surface ceiling lighthearted is shown by one symbol, a recessed ceiling lively has a vary symbol, and a surface fluorescent vivacious has option symbol. Each type of switch has a substitute metaphor and correspondingly complete the various outlets. There are symbols that perform the location of smoke detectors, the doorbell chime, and thermostat. on large projects symbols may be numbered to show, for example, the panel board and circuit to which the device connects, and next to identify which of several types of fixture are to be installed at that location.

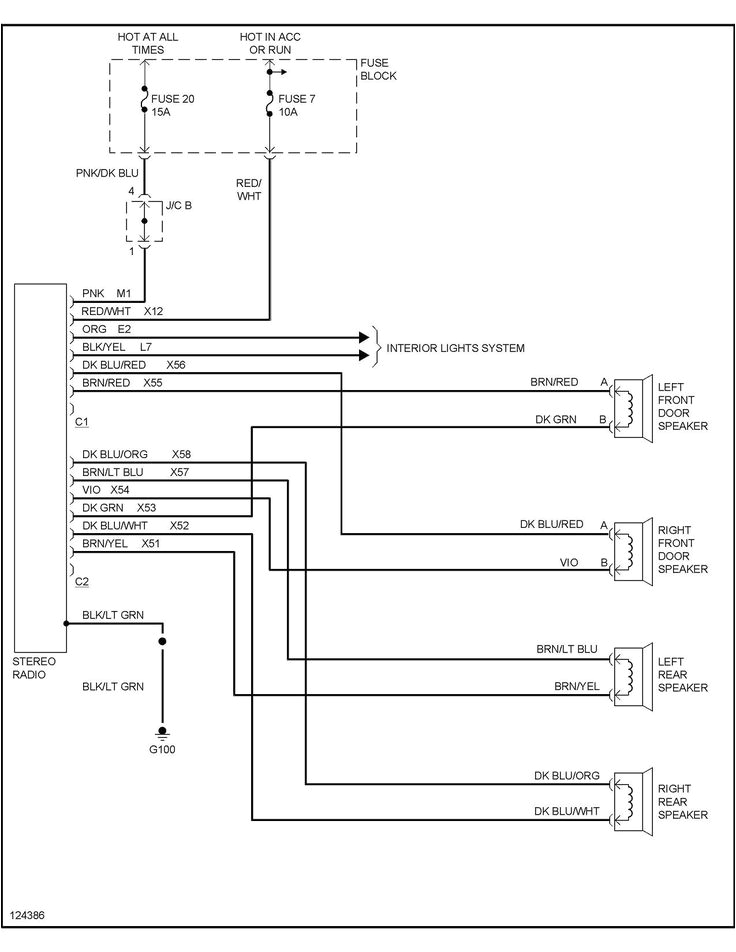
need a stereo wiring diagram for a 2005 dodge dakota slt
do you have a wiring diagram for a 2002 dodge dakota radio
A set of wiring diagrams may be required by the electrical inspection authority to approve membership of the address to the public electrical supply system.
Wiring diagrams will along with append panel schedules for circuit breaker panelboards, and riser diagrams for special facilities such as fire alarm or closed circuit television or other special services.
You Might Also Like :
[gembloong_related_posts count=3]
2008 dodge dakota radio wiring diagram another graphic:

do you have a wiring diagram for a 2002 dodge dakota radio
do you have a wiring diagram for a 2002 dodge dakota radio
do you have a wiring diagram for a 2002 dodge dakota radio

















