2006 Jeep Liberty Stereo Wiring Diagram


Warning: count(): Parameter must be an array or an object that implements Countable in /var/www/html/autocardesign.org/wp-content/themes/silegan-wordpress-theme/inc/themeson.class.php on line 625
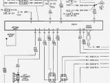
2006 Jeep Liberty Stereo Wiring Diagram 2004 Jeep Liberty Wiring Roti Repeat24 Klictravel Nl
2006 Jeep Liberty Stereo Wiring Diagram 2004 Jeep Liberty Wiring Roti Repeat24 Klictravel Nl