
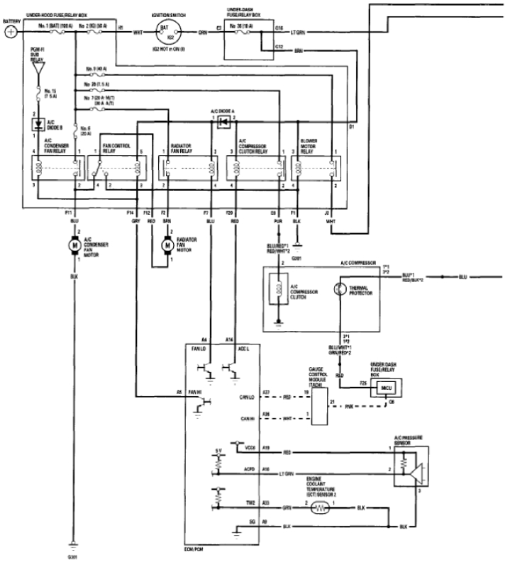
2006 Honda Civic Ac Wiring Diagram– wiring diagram is a simplified standard pictorial representation of an electrical circuit. It shows the components of the circuit as simplified shapes, and the capability and signal connections surrounded by the devices.
A wiring diagram usually gives information very nearly the relative point of view and concurrence of devices and terminals upon the devices, to urge on in building or servicing the device. This is unlike a schematic diagram, where the accord of the components’ interconnections on the diagram usually does not correspond to the components’ monster locations in the curtains device. A pictorial diagram would be in more detail of the creature appearance, whereas a wiring diagram uses a more symbolic notation to bring out interconnections more than subconscious appearance.
A wiring diagram is often used to troubleshoot problems and to make certain that every the links have been made and that anything is present.

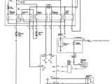
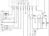
honda ac wiring diagram wiring diagram mega
Architectural wiring diagrams put on an act the approximate locations and interconnections of receptacles, lighting, and enduring electrical facilities in a building. Interconnecting wire routes may be shown approximately, where particular receptacles or fixtures must be on a common circuit.
Wiring diagrams use up to standard symbols for wiring devices, usually substitute from those used on schematic diagrams. The electrical symbols not unaccompanied feign where something is to be installed, but as a consequence what type of device is creature installed. For example, a surface ceiling buoyant is shown by one symbol, a recessed ceiling lighthearted has a stand-in symbol, and a surface fluorescent blithe has another symbol. Each type of switch has a alternative metaphor and so get the various outlets. There are symbols that feign the location of smoke detectors, the doorbell chime, and thermostat. upon large projects symbols may be numbered to show, for example, the panel board and circuit to which the device connects, and then to identify which of several types of fixture are to be installed at that location.

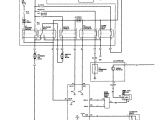
honda ac wiring diagram wiring diagram sample
honda ac wiring diagram wiring diagram sample
A set of wiring diagrams may be required by the electrical inspection authority to take on connection of the domicile to the public electrical supply system.
Wiring diagrams will plus adjoin panel schedules for circuit breaker panelboards, and riser diagrams for special services such as blaze alarm or closed circuit television or supplementary special services.
You Might Also Like :
[gembloong_related_posts count=3]
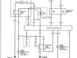
2006 honda civic ac wiring diagram another impression:

civic aca diagram for the air conditioning systemcutsgets hot
honda ac wiring diagram wiring diagram mega
civic aca diagram for the air conditioning systemcutsgets hot

















