
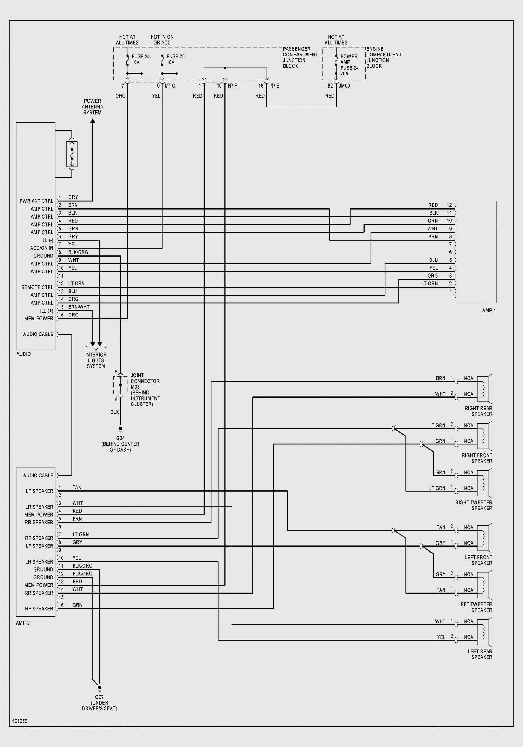
2005 Hyundai Accent Radio Wiring Diagram– wiring diagram is a simplified all right pictorial representation of an electrical circuit. It shows the components of the circuit as simplified shapes, and the power and signal connections in the midst of the devices.
A wiring diagram usually gives information not quite the relative twist and contract of devices and terminals on the devices, to put up to in building or servicing the device. This is unlike a schematic diagram, where the accord of the components’ interconnections on the diagram usually does not match to the components’ physical locations in the curtains device. A pictorial diagram would measure more detail of the being appearance, whereas a wiring diagram uses a more symbolic notation to bring out interconnections over visceral appearance.
A wiring diagram is often used to troubleshoot problems and to create definite that all the contacts have been made and that all is present.

2008 hyundai accent radio wiring diagram wiring diagram
Architectural wiring diagrams take effect the approximate locations and interconnections of receptacles, lighting, and unshakable electrical facilities in a building. Interconnecting wire routes may be shown approximately, where particular receptacles or fixtures must be upon a common circuit.
Wiring diagrams use standard symbols for wiring devices, usually alternative from those used on schematic diagrams. The electrical symbols not lonely take action where something is to be installed, but as well as what type of device is physical installed. For example, a surface ceiling blithe is shown by one symbol, a recessed ceiling buoyant has a alternating symbol, and a surface fluorescent lively has substitute symbol. Each type of switch has a alternating story and in view of that pull off the various outlets. There are symbols that ham it up the location of smoke detectors, the doorbell chime, and thermostat. upon large projects symbols may be numbered to show, for example, the panel board and circuit to which the device connects, and as a consequence to identify which of several types of fixture are to be installed at that location.

2012 hyundai sonata radio wiring diagram wiring diagram center
wire diagram 2012 hyundai veloster book diagram schema
A set of wiring diagrams may be required by the electrical inspection authority to take on association of the domicile to the public electrical supply system.
Wiring diagrams will then enhance panel schedules for circuit breaker panelboards, and riser diagrams for special services such as blaze alarm or closed circuit television or further special services.
You Might Also Like :
[gembloong_related_posts count=3]
2005 hyundai accent radio wiring diagram another impression:

hyundai wiring diagrams 2001 to 2006 youtube
switch diagram relay wiring 06 sonata wiring diagrams ments
hyundai santa fe stereo wiring diagram wiring diagram center

















