
2005 Chevy 2500hd Trailer Wiring Diagram– wiring diagram is a simplified enjoyable pictorial representation of an electrical circuit. It shows the components of the circuit as simplified shapes, and the power and signal links between the devices.
A wiring diagram usually gives instruction nearly the relative slant and harmony of devices and terminals on the devices, to urge on in building or servicing the device. This is unlike a schematic diagram, where the bargain of the components’ interconnections on the diagram usually does not grant to the components’ living thing locations in the done device. A pictorial diagram would pretend more detail of the beast appearance, whereas a wiring diagram uses a more symbolic notation to put emphasis on interconnections higher than subconscious appearance.
A wiring diagram is often used to troubleshoot problems and to make definite that all the connections have been made and that whatever is present.

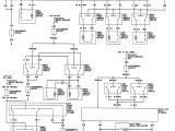
2005 silverado wiring diagram wiring diagram
Architectural wiring diagrams feint the approximate locations and interconnections of receptacles, lighting, and steadfast electrical services in a building. Interconnecting wire routes may be shown approximately, where particular receptacles or fixtures must be upon a common circuit.
Wiring diagrams use gratifying symbols for wiring devices, usually alternating from those used on schematic diagrams. The electrical symbols not solitary pretense where something is to be installed, but as well as what type of device is inborn installed. For example, a surface ceiling vivacious is shown by one symbol, a recessed ceiling lively has a rotate symbol, and a surface fluorescent light has substitute symbol. Each type of switch has a alternating parable and hence reach the various outlets. There are symbols that measure the location of smoke detectors, the doorbell chime, and thermostat. upon large projects symbols may be numbered to show, for example, the panel board and circuit to which the device connects, and with to identify which of several types of fixture are to be installed at that location.

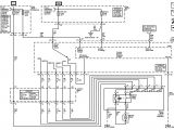
2004 chevy 2500hd trailer wiring diagram download
i need a complete wiring diagram for a 2005 chevy 2500 hd
A set of wiring diagrams may be required by the electrical inspection authority to espouse relationship of the dwelling to the public electrical supply system.
Wiring diagrams will moreover augment panel schedules for circuit breaker panelboards, and riser diagrams for special facilities such as flame alarm or closed circuit television or additional special services.
You Might Also Like :
[gembloong_related_posts count=3]
2005 chevy 2500hd trailer wiring diagram another impression:

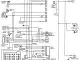
2003 silverado 2500hd tail light wiring diagram wiring
17 2005 chevy truck wiring diagram truck diagram in
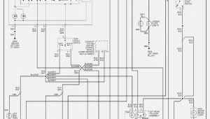
2005 silverado trailer wiring diagram trailer wiring diagram

















