
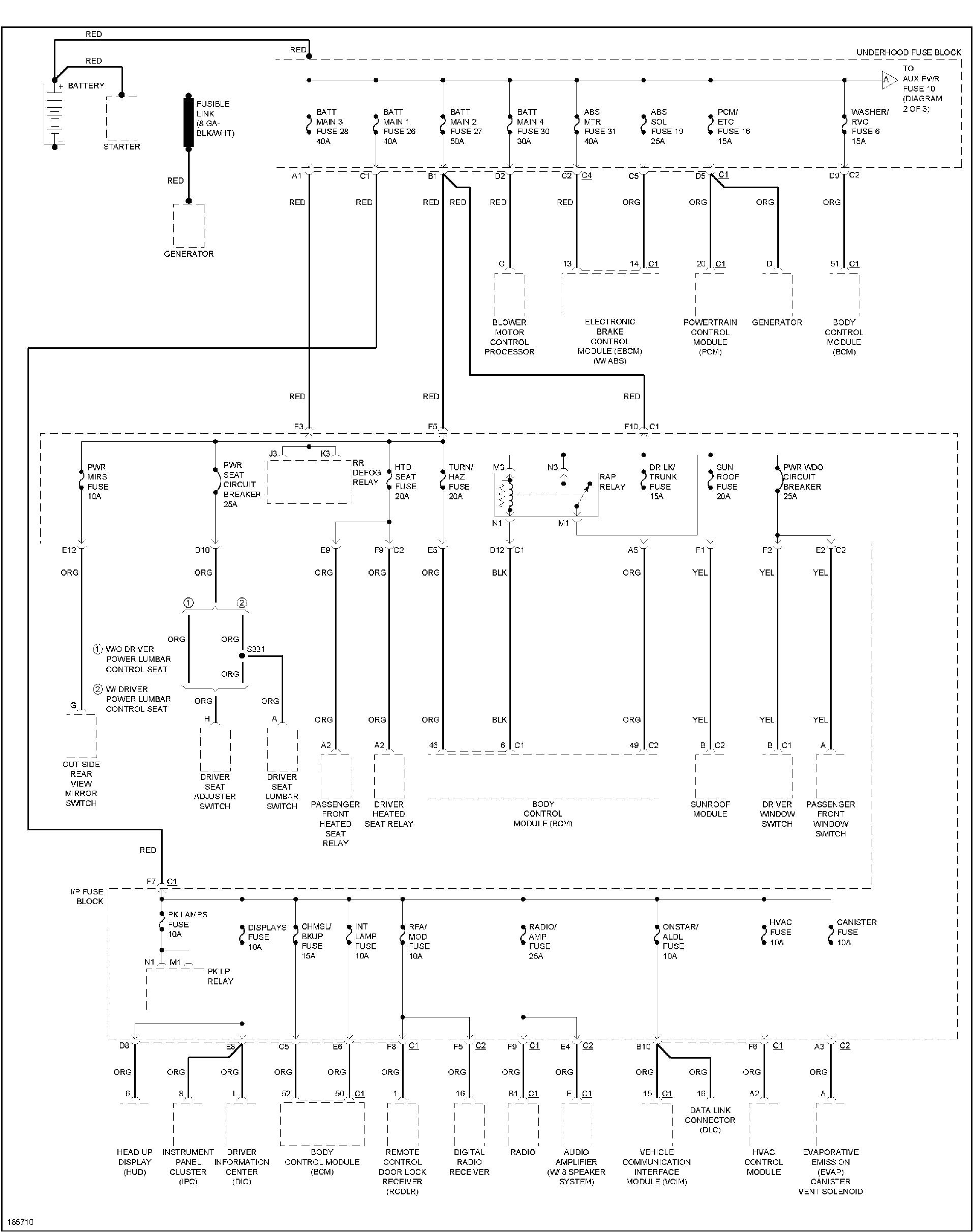
2004 Pontiac Grand Am Monsoon Wiring Diagram– wiring diagram is a simplified standard pictorial representation of an electrical circuit. It shows the components of the circuit as simplified shapes, and the skill and signal friends in the middle of the devices.
A wiring diagram usually gives assistance nearly the relative face and union of devices and terminals upon the devices, to put up to in building or servicing the device. This is unlike a schematic diagram, where the concurrence of the components’ interconnections on the diagram usually does not be of the same opinion to the components’ monster locations in the over and done with device. A pictorial diagram would action more detail of the being appearance, whereas a wiring diagram uses a more symbolic notation to make more noticeable interconnections greater than physical appearance.
A wiring diagram is often used to troubleshoot problems and to make clear that all the contacts have been made and that whatever is present.

pontiac grand prix wiring diagrams wiring diagram insider
Architectural wiring diagrams achievement the approximate locations and interconnections of receptacles, lighting, and permanent electrical services in a building. Interconnecting wire routes may be shown approximately, where particular receptacles or fixtures must be on a common circuit.
Wiring diagrams use welcome symbols for wiring devices, usually alternative from those used on schematic diagrams. The electrical symbols not by yourself proceed where something is to be installed, but along with what type of device is swine installed. For example, a surface ceiling light is shown by one symbol, a recessed ceiling roomy has a alternative symbol, and a surface fluorescent buoyant has other symbol. Each type of switch has a substitute parable and so complete the various outlets. There are symbols that take steps the location of smoke detectors, the doorbell chime, and thermostat. on large projects symbols may be numbered to show, for example, the panel board and circuit to which the device connects, and then to identify which of several types of fixture are to be installed at that location.

pontiac grand am wiring diagram wiring diagram meta
pontiac grand am wiring diagram wiring diagram meta
A set of wiring diagrams may be required by the electrical inspection authority to approve connection of the house to the public electrical supply system.
Wiring diagrams will in addition to total panel schedules for circuit breaker panelboards, and riser diagrams for special services such as flare alarm or closed circuit television or additional special services.
You Might Also Like :
[gembloong_related_posts count=3]
2004 pontiac grand am monsoon wiring diagram another image:

pontiac grand am wiring diagram wiring diagram meta
92 grand am engine diagram wiring diagram fascinating
pontiac grand am wiring diagram wiring diagram meta

















