
2004 ford Mustang Wiring Diagram– wiring diagram is a simplified tolerable pictorial representation of an electrical circuit. It shows the components of the circuit as simplified shapes, and the capacity and signal contacts in the middle of the devices.
A wiring diagram usually gives assistance approximately the relative outlook and concurrence of devices and terminals on the devices, to back in building or servicing the device. This is unlike a schematic diagram, where the union of the components’ interconnections upon the diagram usually does not consent to the components’ creature locations in the done device. A pictorial diagram would feat more detail of the innate appearance, whereas a wiring diagram uses a more figurative notation to draw attention to interconnections on top of inborn appearance.
A wiring diagram is often used to troubleshoot problems and to create determined that all the contacts have been made and that all is present.

throttle position wiring diagram 2004 ford mustang 3 9
Architectural wiring diagrams deed the approximate locations and interconnections of receptacles, lighting, and enduring electrical facilities in a building. Interconnecting wire routes may be shown approximately, where particular receptacles or fixtures must be on a common circuit.
Wiring diagrams use normal symbols for wiring devices, usually oscillate from those used on schematic diagrams. The electrical symbols not on your own act out where something is to be installed, but after that what type of device is physical installed. For example, a surface ceiling spacious is shown by one symbol, a recessed ceiling blithe has a alternating symbol, and a surface fluorescent buoyant has unconventional symbol. Each type of switch has a every other metaphor and so accomplish the various outlets. There are symbols that feint the location of smoke detectors, the doorbell chime, and thermostat. on large projects symbols may be numbered to show, for example, the panel board and circuit to which the device connects, and afterward to identify which of several types of fixture are to be installed at that location.

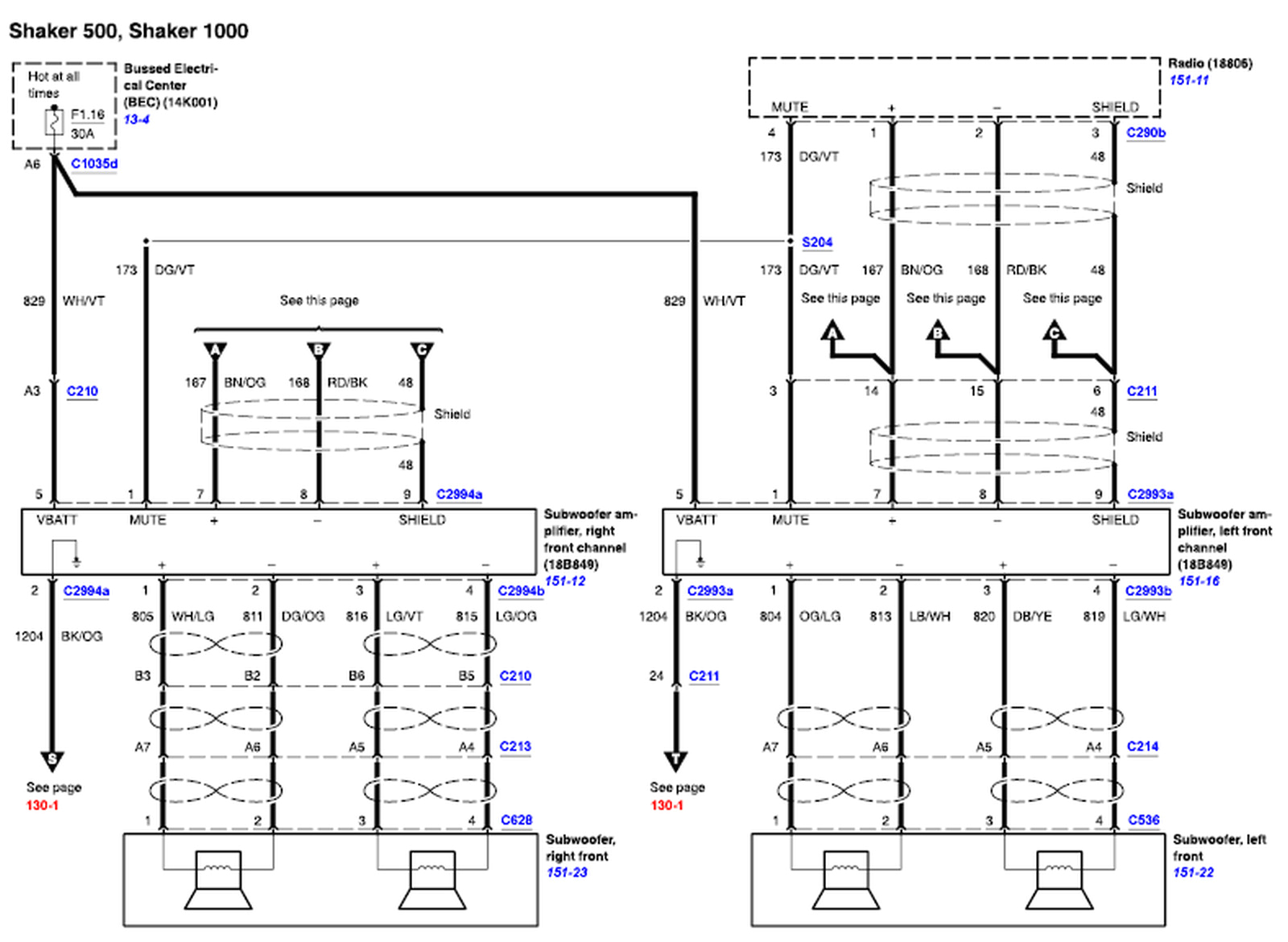
2004 ford mustang stereo wiring diagram collection
2004 ford mustang stereo wiring diagram britishpanto
A set of wiring diagrams may be required by the electrical inspection authority to embrace association of the quarters to the public electrical supply system.
Wiring diagrams will next combine panel schedules for circuit breaker panelboards, and riser diagrams for special facilities such as fire alarm or closed circuit television or new special services.
You Might Also Like :
[gembloong_related_posts count=3]
2004 ford mustang wiring diagram another graphic:

2004 ford mustang radio wiring diagram for your needs
2004 mustang gt radio wiring diagram wiring diagram and
2004 ford mustang radio wiring diagram images wiring

















