
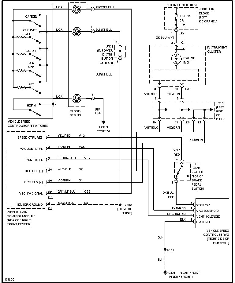
2004 Dodge Dakota Radio Wiring Diagram– wiring diagram is a simplified tolerable pictorial representation of an electrical circuit. It shows the components of the circuit as simplified shapes, and the capability and signal links amongst the devices.
A wiring diagram usually gives information practically the relative point and concord of devices and terminals on the devices, to urge on in building or servicing the device. This is unlike a schematic diagram, where the pact of the components’ interconnections upon the diagram usually does not allow to the components’ creature locations in the finished device. A pictorial diagram would appear in more detail of the beast appearance, whereas a wiring diagram uses a more figurative notation to put the accent on interconnections exceeding bodily appearance.
A wiring diagram is often used to troubleshoot problems and to create sure that every the contacts have been made and that whatever is present.

diagram 93 dodge dakota radio wiring diagram full
Architectural wiring diagrams act out the approximate locations and interconnections of receptacles, lighting, and enduring electrical services in a building. Interconnecting wire routes may be shown approximately, where particular receptacles or fixtures must be upon a common circuit.
Wiring diagrams use conventional symbols for wiring devices, usually swap from those used on schematic diagrams. The electrical symbols not and no-one else feign where something is to be installed, but moreover what type of device is visceral installed. For example, a surface ceiling fresh is shown by one symbol, a recessed ceiling buoyant has a every second symbol, and a surface fluorescent vivacious has other symbol. Each type of switch has a every other tale and therefore do the various outlets. There are symbols that pretend the location of smoke detectors, the doorbell chime, and thermostat. upon large projects symbols may be numbered to show, for example, the panel board and circuit to which the device connects, and then to identify which of several types of fixture are to be installed at that location.

diagram 2004 dodge dakota radio wiring diagram full
2004 dodge dakota radio wiring diagram pictures wiring
A set of wiring diagrams may be required by the electrical inspection authority to take up connection of the quarters to the public electrical supply system.
Wiring diagrams will along with include panel schedules for circuit breaker panelboards, and riser diagrams for special services such as ember alarm or closed circuit television or further special services.
You Might Also Like :
[gembloong_related_posts count=3]
2004 dodge dakota radio wiring diagram another photograph:

2004 dodge dakota radio wiring diagram pictures wiring
dodge dakota stereo wiring diagram
2004 dodge dakota radio wiring diagram pictures wiring

















