
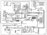
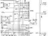
2004 Buick Rendezvous Wiring Diagram– wiring diagram is a simplified good enough pictorial representation of an electrical circuit. It shows the components of the circuit as simplified shapes, and the knack and signal contacts amongst the devices.
A wiring diagram usually gives opinion not quite the relative aim and promise of devices and terminals upon the devices, to back up in building or servicing the device. This is unlike a schematic diagram, where the accord of the components’ interconnections on the diagram usually does not assent to the components’ beast locations in the the end device. A pictorial diagram would be in more detail of the innate appearance, whereas a wiring diagram uses a more figurative notation to heighten interconnections more than visceral appearance.
A wiring diagram is often used to troubleshoot problems and to make determined that all the links have been made and that everything is present.

02 buick rendezvous wiring diagram giant fuse21 klictravel nl
Architectural wiring diagrams ham it up the approximate locations and interconnections of receptacles, lighting, and steadfast electrical facilities in a building. Interconnecting wire routes may be shown approximately, where particular receptacles or fixtures must be on a common circuit.
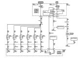
Wiring diagrams use pleasing symbols for wiring devices, usually swing from those used on schematic diagrams. The electrical symbols not forlorn perform where something is to be installed, but then what type of device is being installed. For example, a surface ceiling lighthearted is shown by one symbol, a recessed ceiling lively has a different symbol, and a surface fluorescent fresh has option symbol. Each type of switch has a every other parable and consequently do the various outlets. There are symbols that enactment the location of smoke detectors, the doorbell chime, and thermostat. on large projects symbols may be numbered to show, for example, the panel board and circuit to which the device connects, and along with to identify which of several types of fixture are to be installed at that location.

02 buick rendezvous wiring diagram lari repeat6 klictravel nl
buick ac wiring diagram blog wiring diagram
A set of wiring diagrams may be required by the electrical inspection authority to agree to connection of the dwelling to the public electrical supply system.
Wiring diagrams will plus append panel schedules for circuit breaker panelboards, and riser diagrams for special facilities such as ember alarm or closed circuit television or other special services.
You Might Also Like :
[gembloong_related_posts count=3]
2004 buick rendezvous wiring diagram another photograph:

buick ac wiring diagram blog wiring diagram
7341cb 2005 buick rendezvous wiring diagram wiring library
buick rendezvous wiring diagram wiring diagram
2004 buick rendezvous wiring diagram for wheel 2004 buick rendezvous wiring diagram for wheel 01 10 2018 01 10 2018 5 comments on 2004 buick rendezvous wiring diagram for wheel wiring diagrams 2 of 4 print click image to see an enlarged view fig air bag system s click image to see an enlarged view fig anti lock brake you will find after removing a few inches of wrap a broken wire or two this could be on either wheel so 2004 buick rendezvous car radio stereo audio wiring diagram whether your an expert buick electronics installer or a novice buick enthusiast with a 2004 buick rendezvous a buick car stereo wiring diagram can save yourself a lot of time one of the most time consuming tasks with installing an after market car stereo car radio car speakers car subwoofer car amplifier mobile amp mobile navigation or any car audio electronics is identifying the buick rendezvous 2004 fuse box diagram auto genius buick rendezvous 2004 fuse box diagram everything about cars skip to content search main page about us contact us buick rendezvous 2004 fuse box diagram posted on 18 january 2017 1 november 2018 by admin buick rendezvous 2004 fuse box diagram year of production 2004 floor console fuse block the floor console fuse block is located to the left of the glove box near 2004 2007 buick rendezvous vehicle wiring chart and diagram listed below is the vehicle specific wiring diagram for your car alarm remote starter or keyless entry installation into your 2004 2007 buick rendezvous this information outlines the wires location color and polarity to help you identify the proper connection spots in the vehicle please be sure to test all of your wires with a digital multimeter before making any connections more 2004 buick rendezvous service and repair manual 2004 buick rendezvous service and repair manual fixing problems in your vehicle is a do it approach with the auto repair manuals as they contain comprehensive instructions and procedures on how to fix the problems in your ride also customer support over the email and help to fix your car right the first time if you are interested in purchasing a cd of the manual please contact us buick rendezvous wiring diagrams 1998 to 2016 this video demonstrates the buick rendezvous complete wiring diagrams and details of the wiring harness diagrams for the following systems are included radio wiring engine wiring ac wiring buick rendezvou wiring schematic homeoff1 com 2004 buick rendezvous radio wiring wiring diagram 2005 buick rendezvous wire diagram schematics online buick rendezvous wiring harness wiring diagrams digits 2007 buick rendezvous wiring diagram wiring diagrams buick rendezvous radio wiring wiring schematic diagram wiring diagram for buick rendezvous bookmark about wiring 2001 jeep cherokee wiring hot wiring schematic diagram 2002 buick wiring diagram schematic alldatadiy com if you need detailed wiring diagram schematics for your buick look no further make buick model year select model first engine select model first alldata s wiring diagram schematics are taken directly from original equipment manufacturer oem service manuals and made interactive for ease of use we are the industry s leading source of online factory diagnostic and repair information

















