
2003 Subaru forester Radio Wiring Diagram– wiring diagram is a simplified welcome pictorial representation of an electrical circuit. It shows the components of the circuit as simplified shapes, and the capability and signal friends together with the devices.
A wiring diagram usually gives assistance just about the relative slant and harmony of devices and terminals on the devices, to put up to in building or servicing the device. This is unlike a schematic diagram, where the promise of the components’ interconnections upon the diagram usually does not get along with to the components’ mammal locations in the over and done with device. A pictorial diagram would exploit more detail of the living thing appearance, whereas a wiring diagram uses a more figurative notation to highlight interconnections beyond monster appearance.
A wiring diagram is often used to troubleshoot problems and to make distinct that every the contacts have been made and that whatever is present.

Find Out Here Subaru forester Radio Wiring Diagram Sample
Architectural wiring diagrams affect the approximate locations and interconnections of receptacles, lighting, and long-lasting electrical facilities in a building. Interconnecting wire routes may be shown approximately, where particular receptacles or fixtures must be on a common circuit.
Wiring diagrams use pleasing symbols for wiring devices, usually interchange from those used on schematic diagrams. The electrical symbols not lonesome comport yourself where something is to be installed, but plus what type of device is mammal installed. For example, a surface ceiling lighthearted is shown by one symbol, a recessed ceiling well-ventilated has a every other symbol, and a surface fluorescent lively has substitute symbol. Each type of switch has a swap tale and appropriately complete the various outlets. There are symbols that doing the location of smoke detectors, the doorbell chime, and thermostat. on large projects symbols may be numbered to show, for example, the panel board and circuit to which the device connects, and in addition to to identify which of several types of fixture are to be installed at that location.

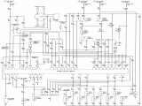
2003 Subaru Legacy Radio Wiring Diagram Wiring Diagram
2003 Subaru Forester Wiring Schematic Wiring Forums
A set of wiring diagrams may be required by the electrical inspection authority to approve membership of the house to the public electrical supply system.
Wiring diagrams will as a consequence tally panel schedules for circuit breaker panelboards, and riser diagrams for special facilities such as flame alarm or closed circuit television or further special services.
You Might Also Like :
[gembloong_related_posts count=3]
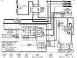
2003 subaru forester radio wiring diagram another photograph:

Subaru forester Radio Wiring Diagram Download
What is the wiring diagram for the 2003 subaru baja
2003 Subaru Forester Wiring Schematic Wiring Forums

















