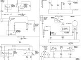
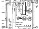
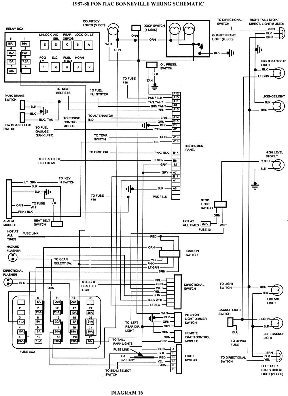
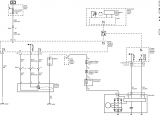
2003 Pontiac Bonneville Wiring Diagram


Warning: count(): Parameter must be an array or an object that implements Countable in /var/www/html/autocardesign.org/wp-content/themes/silegan-wordpress-theme/inc/themeson.class.php on line 625
2003 Pontiac Bonneville Wiring Diagram 52e8 1977 Oldsmobile Delta 88 Wiring Diagram Wiring Library
2003 Pontiac Bonneville Wiring Diagram 52e8 1977 Oldsmobile Delta 88 Wiring Diagram Wiring Library