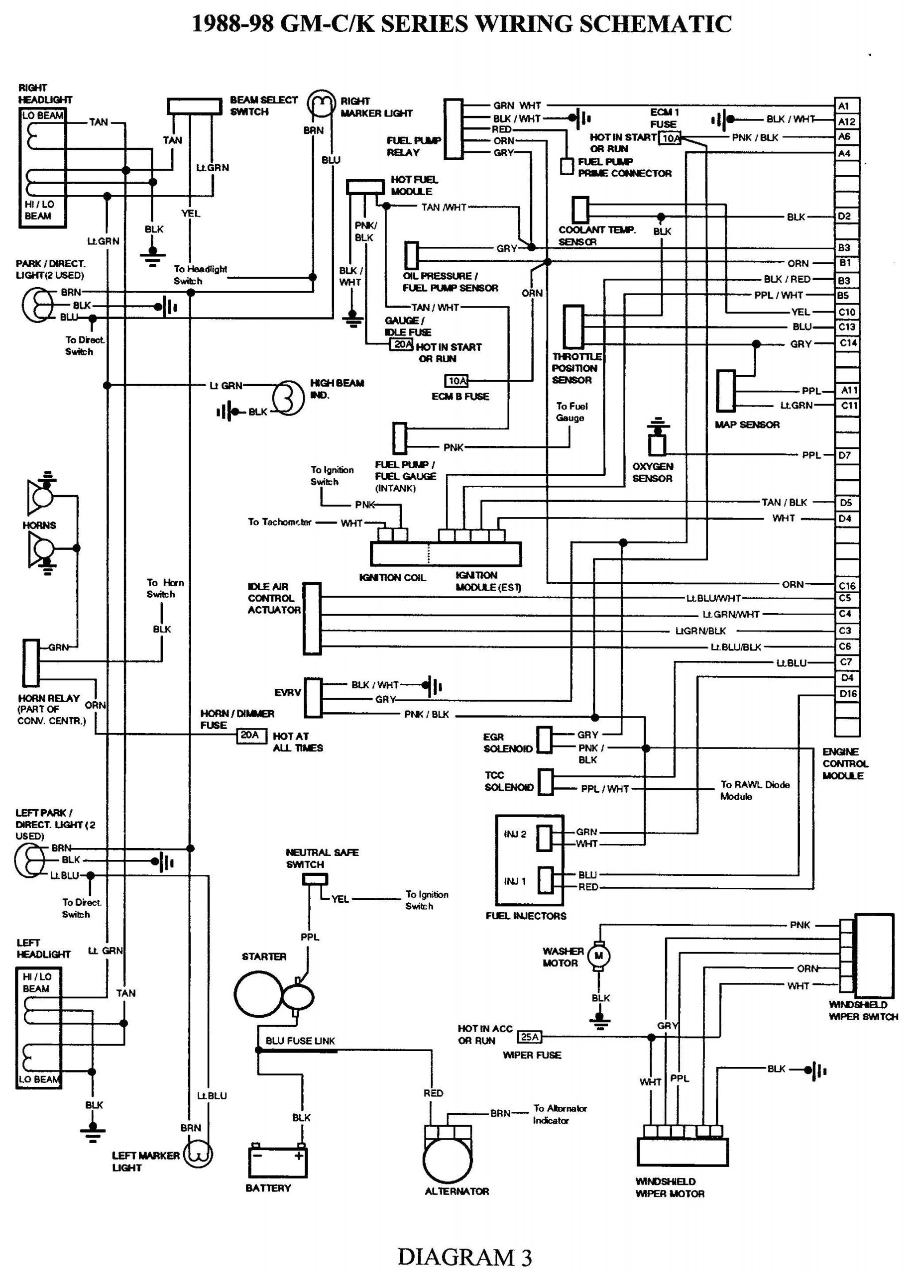
2003 Gmc Sierra Fuel Pump Wiring Diagram


Warning: count(): Parameter must be an array or an object that implements Countable in /var/www/html/autocardesign.org/wp-content/themes/silegan-wordpress-theme/inc/themeson.class.php on line 625
2003 Gmc Sierra Fuel Pump Wiring Diagram 97 Chevy Z71 Wiring Diagram Wiring Diagram Data
2003 Gmc Sierra Fuel Pump Wiring Diagram 97 Chevy Z71 Wiring Diagram Wiring Diagram Data