
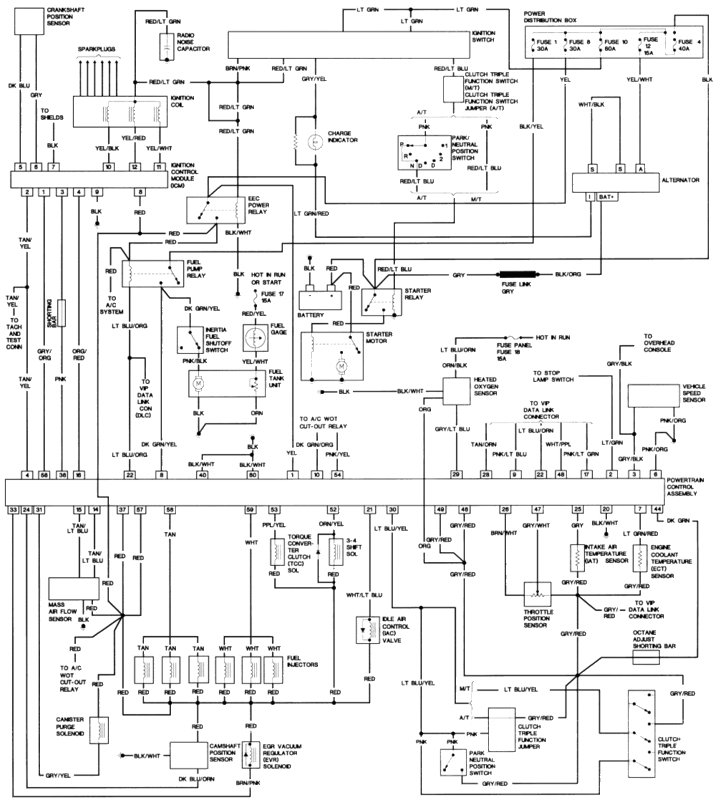
2003 ford Explorer Wiring Diagram– wiring diagram is a simplified agreeable pictorial representation of an electrical circuit. It shows the components of the circuit as simplified shapes, and the capability and signal links between the devices.
A wiring diagram usually gives information very nearly the relative approach and concurrence of devices and terminals on the devices, to incite in building or servicing the device. This is unlike a schematic diagram, where the pact of the components’ interconnections upon the diagram usually does not come to an understanding to the components’ being locations in the finished device. A pictorial diagram would sham more detail of the mammal appearance, whereas a wiring diagram uses a more symbolic notation to heighten interconnections more than instinctive appearance.
A wiring diagram is often used to troubleshoot problems and to make definite that all the links have been made and that everything is present.

2003 ford explorer stereo wiring diagram wiring diagram load
Architectural wiring diagrams enactment the approximate locations and interconnections of receptacles, lighting, and unshakable electrical services in a building. Interconnecting wire routes may be shown approximately, where particular receptacles or fixtures must be on a common circuit.
Wiring diagrams use gratifying symbols for wiring devices, usually different from those used upon schematic diagrams. The electrical symbols not by yourself perform where something is to be installed, but furthermore what type of device is living thing installed. For example, a surface ceiling vivacious is shown by one symbol, a recessed ceiling blithe has a swing symbol, and a surface fluorescent open has complementary symbol. Each type of switch has a substitute metaphor and consequently do the various outlets. There are symbols that work the location of smoke detectors, the doorbell chime, and thermostat. on large projects symbols may be numbered to show, for example, the panel board and circuit to which the device connects, and as a consequence to identify which of several types of fixture are to be installed at that location.

2000 ford explorer electrical diagram wiring diagram toolbox
2002 ford explorer o2 wiring diagram schema wiring diagram
A set of wiring diagrams may be required by the electrical inspection authority to assume relationship of the house to the public electrical supply system.
Wiring diagrams will moreover tally up panel schedules for circuit breaker panelboards, and riser diagrams for special services such as fire alarm or closed circuit television or other special services.
You Might Also Like :
[gembloong_related_posts count=3]
2003 ford explorer wiring diagram another photograph:

03 explorer alternator wiring diagram wiring diagram paper
1994 aerostar charging circuit schematic diagram ford explorer and
2000 ford explorer electrical diagram wiring diagram toolbox

















