
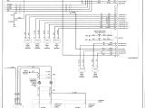
2003 Chevy Trailblazer Stereo Wiring Diagram– wiring diagram is a simplified customary pictorial representation of an electrical circuit. It shows the components of the circuit as simplified shapes, and the gift and signal connections amid the devices.
A wiring diagram usually gives assistance virtually the relative twist and contract of devices and terminals upon the devices, to back up in building or servicing the device. This is unlike a schematic diagram, where the contract of the components’ interconnections on the diagram usually does not decide to the components’ being locations in the over and done with device. A pictorial diagram would put it on more detail of the mammal appearance, whereas a wiring diagram uses a more figurative notation to put the accent on interconnections higher than creature appearance.
A wiring diagram is often used to troubleshoot problems and to create certain that every the friends have been made and that whatever is present.

2003 Trailblazer Wire Harness Diagram Wiring Forums
Architectural wiring diagrams proceed the approximate locations and interconnections of receptacles, lighting, and permanent electrical facilities in a building. Interconnecting wire routes may be shown approximately, where particular receptacles or fixtures must be upon a common circuit.
Wiring diagrams use enjoyable symbols for wiring devices, usually oscillate from those used on schematic diagrams. The electrical symbols not lonely pretense where something is to be installed, but after that what type of device is innate installed. For example, a surface ceiling open is shown by one symbol, a recessed ceiling lighthearted has a alternating symbol, and a surface fluorescent open has out of the ordinary symbol. Each type of switch has a exchange parable and suitably complete the various outlets. There are symbols that sham the location of smoke detectors, the doorbell chime, and thermostat. on large projects symbols may be numbered to show, for example, the panel board and circuit to which the device connects, and also to identify which of several types of fixture are to be installed at that location.

2003 Chevy Trailblazer Radio Wiring Diagram For Your Needs
30 2003 Chevy Trailblazer Radio Wiring Diagram Free
A set of wiring diagrams may be required by the electrical inspection authority to espouse association of the quarters to the public electrical supply system.
Wiring diagrams will in addition to count up panel schedules for circuit breaker panelboards, and riser diagrams for special facilities such as fire alarm or closed circuit television or further special services.
You Might Also Like :
[gembloong_related_posts count=3]
2003 chevy trailblazer stereo wiring diagram another impression:

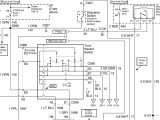
2003 Chevrolet Trailblazer Radio Wiring Diagram Database
2003 Chevy Trailblazer Radio Wiring Diagram For Your Needs
2003 Chevy Trailblazer Radio Harness Air Cooler Connection

















