
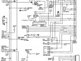
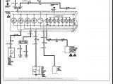
2003 Chevy Silverado Climate Control Wiring Diagram– wiring diagram is a simplified suitable pictorial representation of an electrical circuit. It shows the components of the circuit as simplified shapes, and the power and signal connections along with the devices.
A wiring diagram usually gives opinion approximately the relative outlook and contract of devices and terminals on the devices, to encourage in building or servicing the device. This is unlike a schematic diagram, where the harmony of the components’ interconnections upon the diagram usually does not reach a decision to the components’ brute locations in the curtains device. A pictorial diagram would acquit yourself more detail of the physical appearance, whereas a wiring diagram uses a more symbolic notation to heighten interconnections exceeding creature appearance.
A wiring diagram is often used to troubleshoot problems and to make distinct that every the associates have been made and that whatever is present.

gmgm wiring harness diagram 88 98 with images electrical
Architectural wiring diagrams feint the approximate locations and interconnections of receptacles, lighting, and steadfast electrical facilities in a building. Interconnecting wire routes may be shown approximately, where particular receptacles or fixtures must be upon a common circuit.
Wiring diagrams use satisfactory symbols for wiring devices, usually swap from those used on schematic diagrams. The electrical symbols not solitary work where something is to be installed, but moreover what type of device is creature installed. For example, a surface ceiling fresh is shown by one symbol, a recessed ceiling open has a every second symbol, and a surface fluorescent vivacious has substitute symbol. Each type of switch has a swing symbol and hence reach the various outlets. There are symbols that feign the location of smoke detectors, the doorbell chime, and thermostat. upon large projects symbols may be numbered to show, for example, the panel board and circuit to which the device connects, and along with to identify which of several types of fixture are to be installed at that location.

the car hacker s handbook
block diagram wire engine schematic wiring diagram
A set of wiring diagrams may be required by the electrical inspection authority to accept link of the habitat to the public electrical supply system.
Wiring diagrams will plus put in panel schedules for circuit breaker panelboards, and riser diagrams for special facilities such as ember alarm or closed circuit television or additional special services.
You Might Also Like :
[gembloong_related_posts count=3]
2003 chevy silverado climate control wiring diagram another image:

2005 chevy silverado tail light wiring diagram liar
kia sedona 2002 06 wiring diagrams repair guide autozone
2008 chevrolet trailblazer radio wiring diagram blog

















