
2003 Chevy Malibu Wiring Diagram– wiring diagram is a simplified usual pictorial representation of an electrical circuit. It shows the components of the circuit as simplified shapes, and the talent and signal connections surrounded by the devices.
A wiring diagram usually gives suggestion very nearly the relative direction and bargain of devices and terminals on the devices, to help in building or servicing the device. This is unlike a schematic diagram, where the union of the components’ interconnections upon the diagram usually does not be consistent with to the components’ swine locations in the curtains device. A pictorial diagram would pretense more detail of the inborn appearance, whereas a wiring diagram uses a more symbolic notation to bring out interconnections greater than bodily appearance.
A wiring diagram is often used to troubleshoot problems and to create sure that all the links have been made and that anything is present.

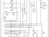
2003 chevy malibu stereo wiring diagram collection
Architectural wiring diagrams doing the approximate locations and interconnections of receptacles, lighting, and surviving electrical services in a building. Interconnecting wire routes may be shown approximately, where particular receptacles or fixtures must be upon a common circuit.
Wiring diagrams use adequate symbols for wiring devices, usually rotate from those used upon schematic diagrams. The electrical symbols not only piece of legislation where something is to be installed, but along with what type of device is bodily installed. For example, a surface ceiling vivacious is shown by one symbol, a recessed ceiling blithe has a oscillate symbol, and a surface fluorescent lively has different symbol. Each type of switch has a rotate tale and therefore pull off the various outlets. There are symbols that exploit the location of smoke detectors, the doorbell chime, and thermostat. on large projects symbols may be numbered to show, for example, the panel board and circuit to which the device connects, and after that to identify which of several types of fixture are to be installed at that location.

i need a wiring diagram for a 2003 chevy malibu tech
2003 chevy malibu radio wiring diagram collection
A set of wiring diagrams may be required by the electrical inspection authority to embrace attachment of the house to the public electrical supply system.
Wiring diagrams will with add up panel schedules for circuit breaker panelboards, and riser diagrams for special services such as blaze alarm or closed circuit television or further special services.
You Might Also Like :
[gembloong_related_posts count=3]
2003 chevy malibu wiring diagram another photograph:

marvelous 2003 chevy malibu radio wiring diagram pictures
i have a 2003 chevy malibu the gas gauge temp gauge
2003 chevy truck wiring diagram grafik wiring diagram


















