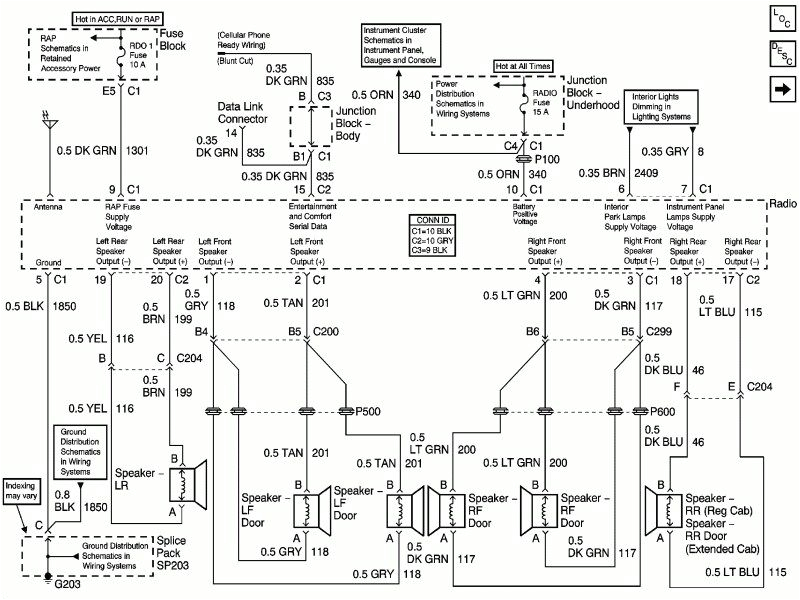
2003 Chevy 2500hd Radio Wiring Diagram


Warning: count(): Parameter must be an array or an object that implements Countable in /var/www/html/autocardesign.org/wp-content/themes/silegan-wordpress-theme/inc/themeson.class.php on line 625
2003 Chevy 2500hd Radio Wiring Diagram Chevy 2500hd Wiring Diagram Giant Repeat18 Klictravel Nl
2003 Chevy 2500hd Radio Wiring Diagram Chevy 2500hd Wiring Diagram Giant Repeat18 Klictravel Nl