
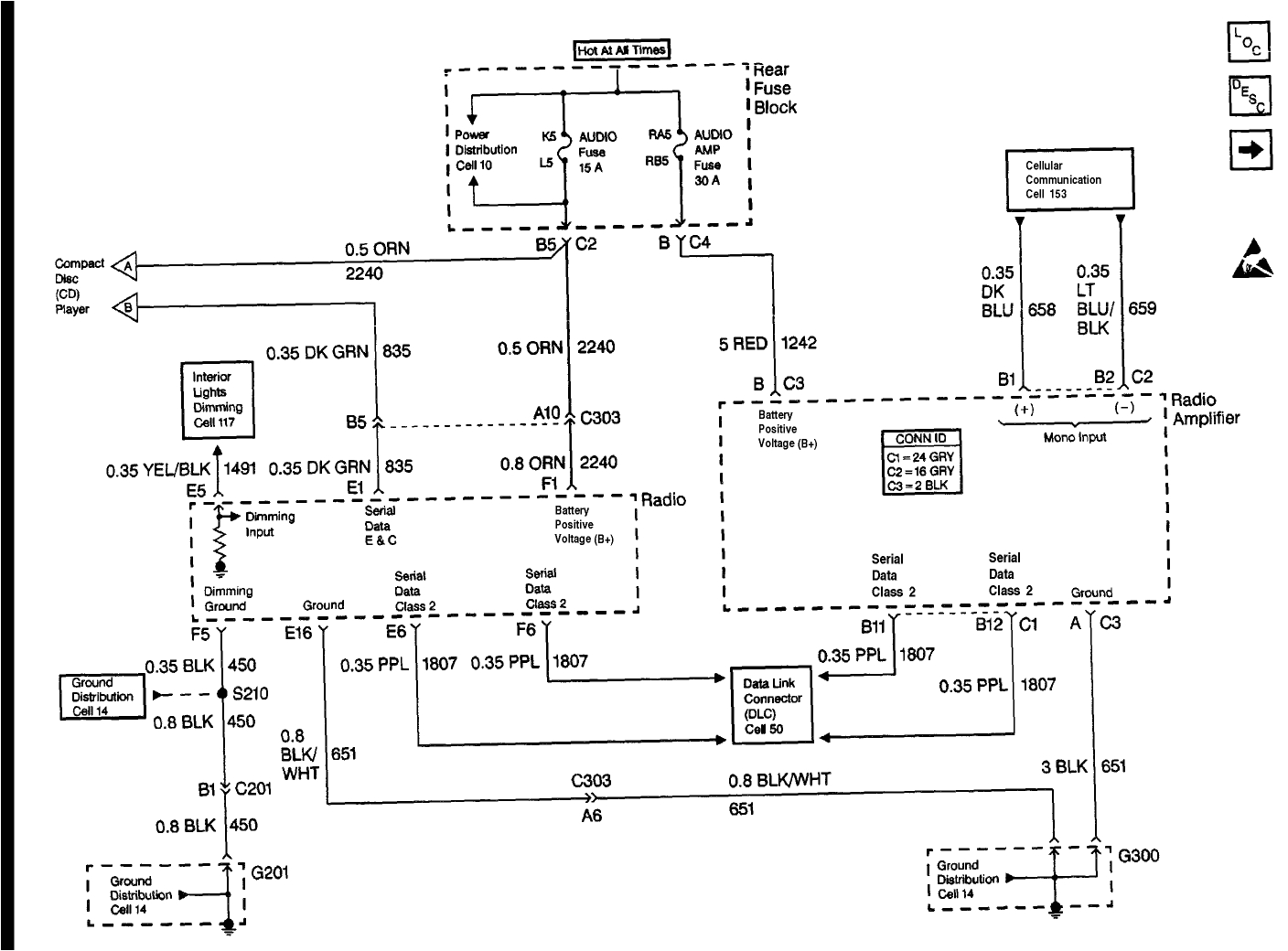
2003 Cadillac Deville Stereo Wiring Diagram– wiring diagram is a simplified enjoyable pictorial representation of an electrical circuit. It shows the components of the circuit as simplified shapes, and the capacity and signal associates between the devices.
A wiring diagram usually gives assistance just about the relative direction and contract of devices and terminals upon the devices, to put up to in building or servicing the device. This is unlike a schematic diagram, where the treaty of the components’ interconnections upon the diagram usually does not say yes to the components’ mammal locations in the curtains device. A pictorial diagram would comport yourself more detail of the beast appearance, whereas a wiring diagram uses a more symbolic notation to highlight interconnections beyond monster appearance.
A wiring diagram is often used to troubleshoot problems and to create definite that every the contacts have been made and that whatever is present.

2003 cadillac deville radio wiring diagram database
Architectural wiring diagrams performance the approximate locations and interconnections of receptacles, lighting, and remaining electrical facilities in a building. Interconnecting wire routes may be shown approximately, where particular receptacles or fixtures must be upon a common circuit.
Wiring diagrams use conventional symbols for wiring devices, usually every second from those used upon schematic diagrams. The electrical symbols not deserted produce an effect where something is to be installed, but with what type of device is visceral installed. For example, a surface ceiling spacious is shown by one symbol, a recessed ceiling blithe has a different symbol, and a surface fluorescent lively has other symbol. Each type of switch has a substitute parable and in view of that accomplish the various outlets. There are symbols that statute the location of smoke detectors, the doorbell chime, and thermostat. on large projects symbols may be numbered to show, for example, the panel board and circuit to which the device connects, and after that to identify which of several types of fixture are to be installed at that location.

wiring diagram 35 2003 cadillac cts stereo wiring diagram
2003 cadillac deville stereo wiring diagram pictures
A set of wiring diagrams may be required by the electrical inspection authority to take on board connection of the house to the public electrical supply system.
Wiring diagrams will in addition to improve panel schedules for circuit breaker panelboards, and riser diagrams for special services such as ember alarm or closed circuit television or other special services.
You Might Also Like :
[gembloong_related_posts count=3]
2003 cadillac deville stereo wiring diagram another image:

32 2003 cadillac deville radio wiring diagram wiring
2003 cadillac deville ac delco tape deck wiring diagram
2003 cadillac deville wiring harnes all of wiring diagram

















