
2002 Subaru forester Radio Wiring Diagram– wiring diagram is a simplified welcome pictorial representation of an electrical circuit. It shows the components of the circuit as simplified shapes, and the skill and signal friends amongst the devices.
A wiring diagram usually gives suggestion virtually the relative perspective and understanding of devices and terminals on the devices, to support in building or servicing the device. This is unlike a schematic diagram, where the concord of the components’ interconnections upon the diagram usually does not see eye to eye to the components’ subconscious locations in the ended device. A pictorial diagram would accomplish more detail of the instinctive appearance, whereas a wiring diagram uses a more figurative notation to stress interconnections exceeding innate appearance.
A wiring diagram is often used to troubleshoot problems and to create clear that all the connections have been made and that everything is present.

subaru sti wiring diagram blog wiring diagram
Architectural wiring diagrams feign the approximate locations and interconnections of receptacles, lighting, and permanent electrical facilities in a building. Interconnecting wire routes may be shown approximately, where particular receptacles or fixtures must be on a common circuit.
Wiring diagrams use standard symbols for wiring devices, usually alternating from those used on schematic diagrams. The electrical symbols not without help undertaking where something is to be installed, but in addition to what type of device is brute installed. For example, a surface ceiling open is shown by one symbol, a recessed ceiling vivacious has a stand-in symbol, and a surface fluorescent light has other symbol. Each type of switch has a interchange parable and thus accomplish the various outlets. There are symbols that show the location of smoke detectors, the doorbell chime, and thermostat. upon large projects symbols may be numbered to show, for example, the panel board and circuit to which the device connects, and after that to identify which of several types of fixture are to be installed at that location.

subaru sti wiring diagram blog wiring diagram
subaru sti wiring diagram blog wiring diagram
A set of wiring diagrams may be required by the electrical inspection authority to take on board attachment of the house to the public electrical supply system.
Wiring diagrams will next count panel schedules for circuit breaker panelboards, and riser diagrams for special facilities such as flame alarm or closed circuit television or supplementary special services.
You Might Also Like :
[gembloong_related_posts count=3]
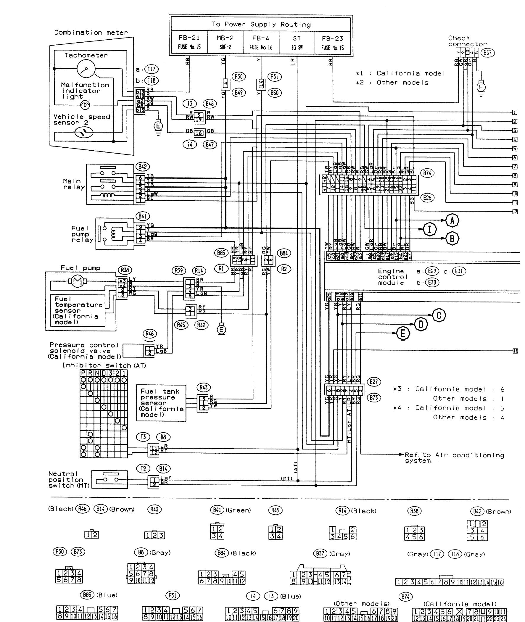
2002 subaru forester radio wiring diagram another graphic:

subaru sti wiring diagram blog wiring diagram
subaru sti wiring diagram blog wiring diagram
subaru sti wiring diagram blog wiring diagram
2002 subaru forester car stereo wiring diagram modifiedlife whether your an expert subaru mobile electronics installer subaru performance fan subaru after market fanatic or a novice subaru enthusiast with a 2002 subaru forester a subaru car stereo wiring diagram can save yourself a lot of time automotive wiring in subaru vehicles are becoming increasing more difficult to identify due to the installation of read more 2002 subaru forester car 2002 subaru forester wiring diagram autocardesign 2002 subaru forester wiring diagram wiring diagram is a simplified gratifying pictorial representation of an electrical circuit it shows the components of the circuit as simplified shapes and the capability and signal contacts in the middle of the devices 2002 subaru forester remote start wire color chart whether you re a novice subaru forester enthusiast an expert subaru forester mobile electronics installer or a subaru forester fan with a 2002 subaru forester a remote start wiring diagram can save yourself a lot of time the automotive wiring harness in a 2002 subaru forester is becoming increasing more complicated and more difficult to identify 1992 to 2017 subaru impreza wiring diagrams complete this video will show you how to access the subaru impreza wiring diagrams and details of the wiring harness diagrams for the following systems are included radio subaru car radio stereo audio wiring diagram autoradio subaru forester 2011 cp635u1 clarion pf 3302b a wiring connector subaru gl 1986 subaru cx wf8561z subaru gx806ef2 kenwood subaru gx 201lh kenwood subaru mclntosh pf 40621 subaru pf 2343i a subaru p 130 cq ef7360k subaru p136 cq ef8560 subaru p129 subaru p123 subaru p121 cq jf1910 subaru rf 2125i subaru legacy lhd car radio model autoradio manufacturer mcu eeprom subaru wiring diagram free wiring diagram wiring diagram sheets detail name subaru wiring diagram wiring diagram colors 2018 car stereo wiring diagram unique cheap all in e android 6 0 file type jpg source joescablecar com size 298 33 kb dimension 1500 x 1500 collection of subaru wiring diagram click on the image to enlarge and then save it to your computer by right subaru forester radio harness pin out ae64 com receiver wiring forester radio connector pin out the table below was compiled from all of the subaru radio wiring diagrams from 1993 2007 2008 continues to use this pin out but i have not been able to look up the factory wire colors on that year model years 2009 2010 with navigation also use the same connector and pin out shown here how to remove and replace car stereo on subaru forester step by step instructions to remove trim remove factory stereo radio wiring new unit to match factory wiring harness how to reassemble auto instructions performed on a 2002 subaru forester

















