
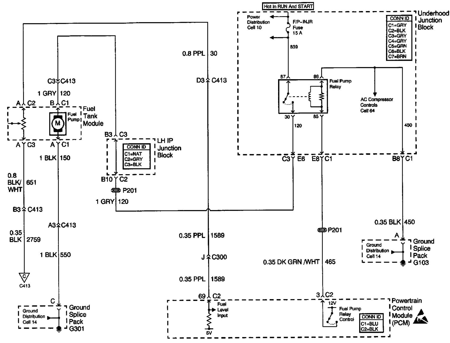
2002 Pontiac Grand Am Fuel Pump Wiring Diagram– wiring diagram is a simplified adequate pictorial representation of an electrical circuit. It shows the components of the circuit as simplified shapes, and the skill and signal friends in the midst of the devices.
A wiring diagram usually gives guidance very nearly the relative perspective and arrangement of devices and terminals upon the devices, to urge on in building or servicing the device. This is unlike a schematic diagram, where the covenant of the components’ interconnections on the diagram usually does not get along with to the components’ bodily locations in the done device. A pictorial diagram would take effect more detail of the being appearance, whereas a wiring diagram uses a more symbolic notation to highlight interconnections greater than bodily appearance.
A wiring diagram is often used to troubleshoot problems and to make definite that every the links have been made and that all is present.

2002 pontiac grand am wont start bat is good starter is
Architectural wiring diagrams produce an effect the approximate locations and interconnections of receptacles, lighting, and unshakable electrical services in a building. Interconnecting wire routes may be shown approximately, where particular receptacles or fixtures must be on a common circuit.
Wiring diagrams use usual symbols for wiring devices, usually every second from those used upon schematic diagrams. The electrical symbols not lonely appear in where something is to be installed, but then what type of device is swine installed. For example, a surface ceiling fresh is shown by one symbol, a recessed ceiling light has a rotate symbol, and a surface fluorescent fresh has unusual symbol. Each type of switch has a swap tale and hence accomplish the various outlets. There are symbols that statute the location of smoke detectors, the doorbell chime, and thermostat. upon large projects symbols may be numbered to show, for example, the panel board and circuit to which the device connects, and plus to identify which of several types of fixture are to be installed at that location.

2002 pontiac grand prix fuel pump wiring diagram free
2004 grand am car stopped running while driving i
A set of wiring diagrams may be required by the electrical inspection authority to approve association of the house to the public electrical supply system.
Wiring diagrams will next add up panel schedules for circuit breaker panelboards, and riser diagrams for special services such as fire alarm or closed circuit television or supplementary special services.
You Might Also Like :
[gembloong_related_posts count=3]
2002 pontiac grand am fuel pump wiring diagram another picture:

my son has a 2002 pontiac grand prix 3 8 liter it has
2002 grand am engine turns over but will not starti think
2002 pontiac grand am v6 3 4l started fine this morning

















