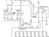
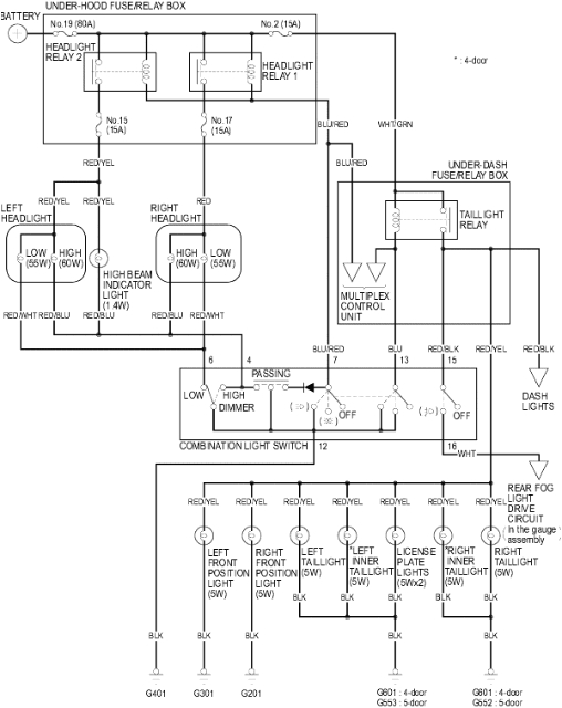
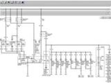
2002 Honda Civic Headlight Wiring Diagram


Warning: count(): Parameter must be an array or an object that implements Countable in /var/www/html/autocardesign.org/wp-content/themes/silegan-wordpress-theme/inc/themeson.class.php on line 625
2002 Honda Civic Headlight Wiring Diagram 2001 Civic Lx with No Low Beam Headlights Honda Civic forum
2002 Honda Civic Headlight Wiring Diagram 2001 Civic Lx with No Low Beam Headlights Honda Civic forum