2002 Chevy Silverado 2500hd Wiring Diagram


Warning: count(): Parameter must be an array or an object that implements Countable in /var/www/html/autocardesign.org/wp-content/themes/silegan-wordpress-theme/inc/themeson.class.php on line 625
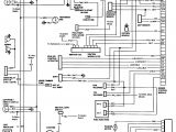
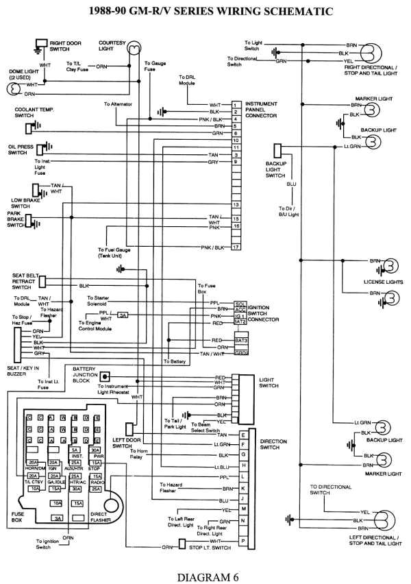
2002 Chevy Silverado 2500hd Wiring Diagram 97 Chevy Z71 Wiring Diagram Wiring Diagram Data
2002 Chevy Silverado 2500hd Wiring Diagram 97 Chevy Z71 Wiring Diagram Wiring Diagram Data