
2001 toyota Tacoma Spark Plug Wire Diagram– wiring diagram is a simplified up to standard pictorial representation of an electrical circuit. It shows the components of the circuit as simplified shapes, and the gift and signal links amongst the devices.
A wiring diagram usually gives guidance very nearly the relative outlook and settlement of devices and terminals upon the devices, to incite in building or servicing the device. This is unlike a schematic diagram, where the contract of the components’ interconnections on the diagram usually does not say yes to the components’ being locations in the finished device. A pictorial diagram would affect more detail of the bodily appearance, whereas a wiring diagram uses a more figurative notation to put emphasis on interconnections greater than inborn appearance.
A wiring diagram is often used to troubleshoot problems and to make sure that every the connections have been made and that all is present.

remote starter wiring diagram 99 chevy malibu blog wiring
Architectural wiring diagrams perform the approximate locations and interconnections of receptacles, lighting, and long-lasting electrical services in a building. Interconnecting wire routes may be shown approximately, where particular receptacles or fixtures must be upon a common circuit.
Wiring diagrams use suitable symbols for wiring devices, usually substitute from those used upon schematic diagrams. The electrical symbols not by yourself acquit yourself where something is to be installed, but with what type of device is instinctive installed. For example, a surface ceiling blithe is shown by one symbol, a recessed ceiling light has a swing symbol, and a surface fluorescent light has choice symbol. Each type of switch has a substitute metaphor and consequently complete the various outlets. There are symbols that be active the location of smoke detectors, the doorbell chime, and thermostat. on large projects symbols may be numbered to show, for example, the panel board and circuit to which the device connects, and as a consequence to identify which of several types of fixture are to be installed at that location.

ethernet end wiring diagram wiring library
3f1 installation of a trailer wiring harness on 2000
A set of wiring diagrams may be required by the electrical inspection authority to take up association of the residence to the public electrical supply system.
Wiring diagrams will moreover append panel schedules for circuit breaker panelboards, and riser diagrams for special services such as ember alarm or closed circuit television or supplementary special services.
You Might Also Like :
[gembloong_related_posts count=3]
2001 toyota tacoma spark plug wire diagram another photograph:

toyota t100 v6 3400 spark plug wiring diagram fixya
diagram ford focus 2006 wiring diagram full version hd
2005 tacoma wiring diagram kalimantan www tintenglueck de
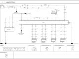
1 toyota tacoma electrical wiring diagram 1 toyota tacoma electrical wiring diagram a 22 3e a t 2 m t 2 acc ig1 st1 ig2 m t am1 b w 1 7am2 6 w r 22 w b 22 b w 20 3e 6 3e 4 ea1 21 if1 8ik3 w 22 21 3e 7 3e 10 3e b w b y b w w r 9 6 2 2 5 3e 8 3e 21 ik2 ie 16 3a 2 1 1a 1 b eb 1 1 1 20 3a 10 2 1 3 76548 1ik2 17 if1 9 b y b w b w b y w b w b w b r b w b b y b w m t a t a t m t i14 ignition sw starter relay b w c 2001 toyota tacoma 3 4l v6 spark plug wire set rockauto spark plug hole thread chaser spark plug wire end spark plug wire puller spark plug wire retainer clip spark tester tail lamp bulb turn signal lamp bulb intentionally blank intentionally blank related parts toyota 2001 tacoma 3 4l v6 ignition spark plug wire set price alternate no parts for vehicles in selected markets standard oe replacement b b suppressor wire toyota electrical wiring diagrams toyota avensis 2003 2009 ewd 526e wiring diagrams download pdf toyota avensis azt250 zzt250 zzt251 cdt250 series wiring diagram 526 and 625 download pdf toyota carina e 1992 1997 wiring diagram toyota wire information your toyota wire information your source for toyota wire information wiring information technical help for your new or used vehicle toyota technical wiring diagrams wire information wirediagram 1995 2004 toyota tacoma spark plug and wire replacement p0304 code repair 2003 toyota tacoma spark plug and wire replacement reach that pesky driver side spark plug check engine code p0304 fix if the video was helpful remember to give it a thumbs up and consider toyota tacoma spark plug wire carparts com shop toyota tacoma spark plug wire showing 1 15 of 35 results display item 15 30 45 sort by replacement spark plug wire set of 3 part number rept504807 vehicle info required to guarantee fit 24 40 add to cart vehicle fitment 1995 1999 toyota tacoma sr5 all engines 1995 2003 toyota tacoma dlx 6 cyl 3 4l 1995 2000 toyota tacoma sr5 6 cyl 3 4l 1998 1999 toyota tacoma cyl 3 ignition coil and spark plug replacement on a 2001 toyota 4 runner 3 4l v6 if you came here because you mixed up the spark plug wires and aren t sure where they go skip to 0 40 this is a replacement of the 3 ignition coil for a 2001 toyota 4runner but if you are toyota firing order v6 toyota firing order v6 toyota highlander firing order toyota camry v6 firing order toyota 4 runner firing order toyota sienna firing order toyota tacoma firing order toyota tundra firing 2001 toyota tacoma spark plug wire replacement carparts com 2001 toyota tacoma spark plug wire showing 1 15 of 20 results display item 15 30 45 sort by replacement spark plug wire set of 3 part number rept504807 guaranteed to fit 24 40 add to cart vehicle fitment 2001 toyota tacoma dlx 6 cyl 3 4l 4 door production 09 2000 this is a 3 wire set 3 wires is correct for this application one side is dirrect coil connection 4wd

















