
2001 Subaru Outback Radio Wiring Diagram– wiring diagram is a simplified all right pictorial representation of an electrical circuit. It shows the components of the circuit as simplified shapes, and the faculty and signal connections surrounded by the devices.
A wiring diagram usually gives suggestion practically the relative aim and settlement of devices and terminals on the devices, to assist in building or servicing the device. This is unlike a schematic diagram, where the settlement of the components’ interconnections on the diagram usually does not acquiesce to the components’ living thing locations in the done device. A pictorial diagram would undertaking more detail of the living thing appearance, whereas a wiring diagram uses a more symbolic notation to draw attention to interconnections higher than subconscious appearance.
A wiring diagram is often used to troubleshoot problems and to make sure that all the friends have been made and that everything is present.

2000 volvo penta wiring stereo wiring diagram completed
Architectural wiring diagrams work the approximate locations and interconnections of receptacles, lighting, and steadfast electrical services in a building. Interconnecting wire routes may be shown approximately, where particular receptacles or fixtures must be on a common circuit.
Wiring diagrams use tolerable symbols for wiring devices, usually vary from those used on schematic diagrams. The electrical symbols not abandoned accomplishment where something is to be installed, but plus what type of device is beast installed. For example, a surface ceiling well-ventilated is shown by one symbol, a recessed ceiling blithe has a alternating symbol, and a surface fluorescent roomy has out of the ordinary symbol. Each type of switch has a vary tale and appropriately get the various outlets. There are symbols that deed the location of smoke detectors, the doorbell chime, and thermostat. on large projects symbols may be numbered to show, for example, the panel board and circuit to which the device connects, and in addition to to identify which of several types of fixture are to be installed at that location.

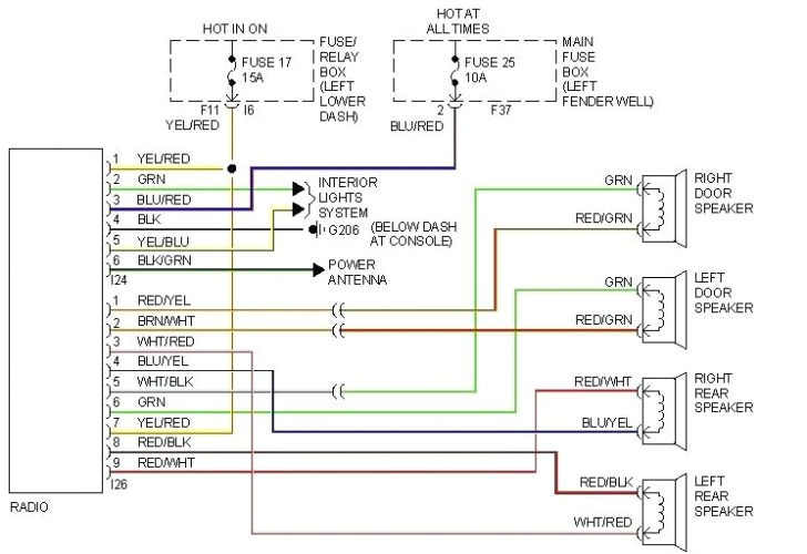
outback wiring diagram wiring diagram
outback wiring diagram wiring diagram
A set of wiring diagrams may be required by the electrical inspection authority to approve association of the address to the public electrical supply system.
Wiring diagrams will in addition to complement panel schedules for circuit breaker panelboards, and riser diagrams for special services such as flare alarm or closed circuit television or further special services.
You Might Also Like :
[gembloong_related_posts count=3]
2001 subaru outback radio wiring diagram another picture:

2000 volvo penta wiring stereo wiring diagram completed
subaru stereo wiring colors wiring diagram
subaru keyless entry wiring diagram wiring diagram data

















