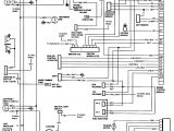
2001 Silverado Trailer Wiring Diagram


Warning: count(): Parameter must be an array or an object that implements Countable in /var/www/html/autocardesign.org/wp-content/themes/silegan-wordpress-theme/inc/themeson.class.php on line 625
2001 Silverado Trailer Wiring Diagram 2001 Silverado Trailer Wiring Diagram Kuiyt Fuse3
2001 Silverado Trailer Wiring Diagram 2001 Silverado Trailer Wiring Diagram Kuiyt Fuse3